讀圖
要看懂一個電原理圖,即弄清電路由哪幾部分組成及
的聯系和總的性能(如有
,還要粗略估算性能指標)。電子電路的主要任務是對信號進行
,只是
的方式(如放大、濾波、變換等)及效果不同而已,
讀圖時,應以所
的信號流向為主線,沿信號的主要通路,以基本單元電路為依據,將整個電路分成若干具有獨立功能的部分,并進行分析。具體步驟可歸納為:了解用途、找出通路、化整為零、分析功能、統觀整體。下面以741型晶體管收音機電路(見圖1)為例進行說明,以期對電子愛好者的學習有所幫助。(注
讓初學者能
參考其他類似電路,未對圖中元器件名稱符號作變動。

一、了解用途
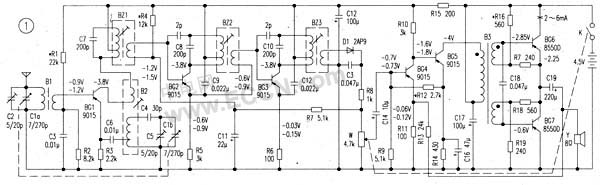
了解所讀的電子電路原理圖用于何處、起什么作用,對于弄請電路工作原理、各部分的功能及性能指標都有指導意義。瀏覽圖1可知:這是一個典型的晶體管收音機電路圖,其用途是將接收到的高頻信號通過輸入電路后與收音機本身產生的一個振蕩電流一起送入變頻管內進行"混合"(混頻),混頻后在變頻級負載回路(選頻)產生一個新的頻率(差頻),即中頻(465 kHz),然后通過中放、檢波、低放、功放后,推動揚聲器發聲。當然,還要求對振蕩頻率進行調節(f振-f信=465kHz),并能調節音量的大小。
二、找出通路
指找出信號流向的通路。通常,輸入在左方、輸出在右方(面向電路圖).信號傳輸的樞紐是有源器件,
可按
的連接關系來找.從左向右看過去,此電路的有源器件為BG1(變頻管)、BG2與BG3(中放管)、BG4與BG5(低放管)、BG6與BG7(功放管),
可大致推斷信號是從BGl的基極輸入,
振蕩并混頻后產生中頻信號,再
兩級中放,然后由檢波器把中頻信號變成音頻信號,最后
低放、功放后送至揚聲器,這樣,信號的通路就大致找了出來。通路找出后,電路的主要組成部分也就出來了。
據各基本單元分成若干具有細程度與讀者掌握電路類型的多少及經驗有關。
根據上述通路可清楚地看出,整個電路可分別以BZ1及D1(2AP9)為界分成三部分,我們稱之為變頻級、中放級(
檢波級)和低功放級(輸出)。
四、分析功能
劃分成單元電路后,根據已有的知識,定性分析每個單元電路的工作原理和功能。
1.輸入回路和變頻級
該部分的任務是將接收到的各個頻率的高頻信號轉變為一個固定的中頻頻率(465kHz)信號輸送到中放級放大。它涉及到兩個調諧回路:一個是輸入調諧回路,一個是本機振蕩回路。輸入調諧回路選擇電感耦合形式(磁棒線圈B1),本機振蕩回路選擇變壓器耦合振蕩形式(B2)。
雙連可變電容器(C1a、C1b)可同軸同步調諧輸入回路和本機振蕩回路的槽路頻率,因而可使二者的頻率差保持不變。
變頻級電路的本振和混頻由 只三極管BG1擔任。
三極管的放大作用和非線性特性,
可獲得頻率變換作用。從圖1中可以看出這是一個振蕩電壓由發射極注入、信號由基極注入的變頻級。兩個信號
在晶體管內混合,通過晶體管的非線性作用再通過中頻變壓器BZ1的選頻作用,選出頻率為f振-f信=465kHz的中頻調幅波送到中放級。
2.中放級(含波)
1)中頻放大級
中放級采用的是兩級單調諧中頻放大。變頻級輸出的中頻調幅波信號由BZ1次級送到BG2的基極進行放大,放大后的中頻信號再送到BG3的基極,由BZ3次級輸出被放大的信號,三個中頻變壓器都應準確調在465kHz。
中頻放大級的特點是用并聯的LC調諧回路作負載。其原因是:并聯諧振回路同串聯諧振回路一樣,能對某一頻率的信號產生諧振,不同的是在諧振時,串聯諧振回路的阻抗很小,電路中的電流很大,阻抗越小,Q值越高;而并聯諧振回路在諧振時,阻抗很大,回路兩端電壓很高,并聯阻抗越大,損耗越小,Q值越高。
中頻放大器采用了諧振于465kHz的并聯回路作負載,
用了中頻放大器后,大大提高了整機的選擇性。
2)檢波級
在超外差式收音機中,雖然
變頻級把高頻信號變成了中頻信號,但是中頻信號仍然是調幅信號,
依靠檢波器把中頻信號變成低頻信號(音頻信號),BZ3次級送到檢波二極管的中頻信號被截去了負半周,變成了正半周的調幅脈動信號,再選擇合適的電容量濾掉殘余的中頻信號,
取出音頻成分送到低放級。
檢波輸出的音頻脈動信號經R7、C13濾波得到的直流成分
自動增益(AGC)電壓,饋入第一中放管BG2基極,以達到自動穩定中放增益的目的。
3.低功放級
1)低放電路
從檢波級輸出的中頻信號,還
進行放大再送到揚聲器。
獲得較大的增益,通常前級低頻放大選用BG4、BG5兩級。
BG4、BG5采用直接耦合方式。BG4基極的偏置電壓取自于BG5發射極電阻R14上的電壓,
對直流工作點有強烈的負反饋,有利于穩定工作點。低放級與功放級
的激勵采用的
是變壓器(B3)耦合方式。
2)功放級
功放級采用兩只
類型的NPN管子BG6、BG7組成OTL對稱式電路,兩管輪流工作,使負載(揚聲器)上得到完整的正弦波電壓。
R16、R17組成BG6的偏置電路,R18、R19組成BG7的偏置電路,與負載耦合的電容器C21起著重要的作用,
它的充放電過程代替一個電源的效果,從而減少一個電源(詳細原理這里不再贅述)。
R15、C12、C16組成電源濾波電路,電容C19用來改善音質。
六、統觀整體
先將各部分的功能用框圖表示出來(
文字表達式、傳輸特性、信號波形等方式在框圖中注出),然后根據
的關系進行連接,畫成一個整體的框圖(如圖2),從
框圖就可以看出各單元電路
是如何互相配合來實現電路功能的。圖中標出了各基本單元的名稱、
聯系和所對應的電路符號。
至此,電路的基本
就大致清楚了,
指出的是:對于不同水平的讀圖者或不同的電路,所采取的具體步驟
是不一樣的,上述方法僅供參考。至于電路中的次要部分和
哪些元件的參數能改善哪些技術指標,以及對各部分電路的性能進行定量估算以進一步得出整個電路的性能指標等,則
根據讀圖者的能力自行分析了。
最后順便給出概括讀圖的口訣:弄清用途,化繁為簡,抓住兩頭,找出電源。以管為主,從左到右,分析電位,揪住地線。抓住兩頭,是指抓住輸入、輸出兩頭,分析信號的輸入回路和最后輸出的控制對象;找出電源,是指搞清楚各部分所用電源電壓的極性和大小以及
的來源:分析電位、揪住地線,是指分析管子和某一節點的電位變化時,
要以"共地線"為基準,否則就搞不清電位變化的趨向,這在分析負反饋作用中是尤為主要的。
本文地址:http://www.6600560.cn/dz/21/201062192839.shtml
本文標簽:
猜你感興趣:
差分晶振電路圖如何制作 影響差分晶振價格的原因
其實,對于差分晶振電路圖制作方式,一般建議請專業的人士制作即可,現在網絡上有很多可以制作差分晶振電路圖公司,在這些方面選擇的時候應該多方面的了解的。然后選擇適合自己的公司。對于公司的選擇一般采用對比方式選擇,比如對比產品價格、對比公司服務以及對比的自己公司的需求,然后選擇適合自己的公司制作。
常見電子電路圖中英文對照表及解釋
常見電子電路圖中英文對照表及解釋 經常查看電子電路圖的朋友都知道一些常用的術語都是用英文簡寫的,從而減少電路圖中的注釋,可以讓電路圖看上去很簡潔明了,那么有些人
雙電源供電電路圖
功率放大電路中的前置放大器,一般都采用雙電源供電,即對稱的正負電源供電。業余制作時,會碰到手頭無雙電源的情況,這就給制作帶來困難。本例介紹利用TDA2030將單電源轉換為雙電源給前
1V升壓到3V的芯片,1V升壓3.3V電路圖
1V升壓到3V和1V升壓3.3V的升壓芯片? PW5100 是一款效率很大、低功耗、低紋波、高工作頻率的 PFM 同步升壓 DC/DC 變換器。輸出電壓可選固定輸出值,從 3.0V,3.3V, 5.
12V轉5V降壓芯片,12V轉3.3V穩壓芯片電路圖
12V轉5V應用中,大多要求會輸出電流高的,穩壓LDO就不能滿足了,需要使用DC-DC降壓芯片來持續穩壓5V,輸出電流1000MA,2000MA,3000MA,5000MA等。不同的輸出電流可以選擇適
5V降壓轉3.3V,5V轉3V電路圖芯片
5V降壓轉3.3V和3V都是低壓,兩個之間的壓差效率,所以效率和工作溫度這塊都會比較優秀,輸入和輸出的最低壓差外是越小越好。 如果電流比較小,可以用LDO:PW6566 系列是
3.7V升壓5V,3.7V轉5V電路圖芯片
鋰離子電池在如今是廣泛應用存在我們生活中的方方面面的電子產品中。如,電子玩具,美容儀,醫療產品,智能手表,手機,筆記本,電動汽車等等非常多。 鋰電池3.7V
5V升壓12.6V應用電路圖
產品概述 PW4053 是一款 5V 輸入,最大 1.2A 充電電流,支持三節鋰離子電池的升壓充電管理 IC。PW4053 集成功率 MOS,采用異步開關架構,使其在應用時僅需極少的外圍器件,
5V升壓8.4V,5V轉8.4芯片電路圖
PW5300是電流模式升壓DC-DC轉換器。其內置0.2Ω功率MOSFET的PWM電路使該穩壓器具有效高的功率效率。內部補償網絡還可以程度地減少了6個外部元件的數量。誤差放大器的同
簡易自制金屬探測器電路圖,只需少量元器件即可制作成功
金屬探測器電路圖 金屬探測器可應用很多領域,當然,金屬探測器根據工作原理的不同,也可以分為很多種的類型電路,今天我們主要介紹的是用集成電路555制作的金屬探測器,由
PW2558芯片DC/DC應用電路圖及參數
說明 PW2558開發了一種高效的異步降壓DC/DC調節器輸出0.8A電流。集成電路采用電流模式自適應恒關斷時間控制。這個PW2558可在4.5V至55V的寬輸入電壓范圍內工作,并將主開關
PW6206降壓調節參數及應用電路圖
一般說明 PW6206系列是一款高精度,高輸入電壓,低靜態電流,高速,低壓降線性穩壓器具有高紋波抑制。在VOUT=5V&VIN=7V時,輸入電壓高達40V,負載電流高達300mA,采用BCD工
PW2052 DC-DC降壓調節器電路圖
一般說明 中英翻譯篇,翻譯部分 PW2052是一種高效率、高頻同步DC-DC降壓調節器。100%的人占空比特性提供低壓差操作,延長便攜式系統的電池壽命。內部同步開關提高了效率,
2V升5V的升壓芯片,兩款芯片電路圖
2V的輸入電壓,是可以用來做5V輸出的升壓電路,但是2V的供電設備很少,不知道還有什么東西是2V電壓的,還需要升壓到5V的電路系統。 兩款2V升5V的芯片電路圖: PW5100升壓芯
2.4V升5V芯片,8uA功耗,低功耗升壓電路圖
2.4V升5V,可用于USB拔插充電,也可以用于把兩節鎳氫電池2.4V升壓到5V,的固定輸出穩壓電壓值,同時輸出電流可達1A,0.5A等 首先是先說下0.5A的這款的話,是比較低功耗
1V升5V芯片,1V升5V電路圖規格書
如果需要1V輸入的話,可以看到PW5100的最低低壓輸入0.7V,就可以達到要求了。 同時PW5100也具有較大的輸入開關電流1.5A,可以滿足輸出的要求和功能。 對于1V的供電來說
1.5V升5V芯片,1.5V升5V電路圖規格書
常用的 5號,7號等 1.5V 干電池滿電電壓在 1.6V 左右,干電池輸出耗電電壓在 1V。適用PW5100,在 0.9V 時還能輸出,徹底榨干干電池的電量。1.5V 升5V 的芯片:PW51
1.5V升3V芯片和電路圖,DC-DC升壓IC
1.5V升3V的升壓芯片,3V給LED供電,或者單片機模塊供電等。 PW5200A工作頻率為1.4MHZ。輕載時自動PWM/PFM模式切換,提高效率。 PW5200A能夠提供2.5V和5V之間的可調輸出電
2V轉3V,2.4V轉3V的電源芯片電路圖
兩節鎳氫電池1.2V+1.2V是2.4V的標稱電壓,2.4V可以轉3V輸出電路應用。 在2.4V轉3V和2V轉3V的應用中,輸出電流可最大600MA。 2V的低壓輸入,可以采用PW5100低壓輸入專
鎳氫可充電電池2.4V轉3.3V,2V轉3.3V穩壓供電輸出電路圖
PW5100可以實現2.4V轉3.3V,2V轉3.3V的穩壓電源電路,輸出電流500MA.靜態電流10uA,SOT23-5封裝。輸出紋波低,輕載性能高(輕載電感推薦6.8UH-10UH).PW5100 是一款高