深度解析PCB板和集成電路的區別
日期:2019-02-14
作者:admin
來源:網絡
目前的電路板,主要由以下組成:線路與圖面(Pattern):線路是做為原件之間導通的工具,在設計上會另外設計大銅面作為接地及電源層。線路與圖面是同時做出的。介電層(Die
分析磁珠和電感在解決EMI和EMC方面有著怎樣的作用
日期:2019-01-29
作者:電子愛好者
來源:電子發燒友
磁珠和電感在解決EMI和EMC方面的作用有什么區別,各有什么特點,是不是使用磁珠的效果會更好一點呢?從原理上來說,磁珠可等效成一個電感,所以磁珠在EMI和EMC電路中就相當
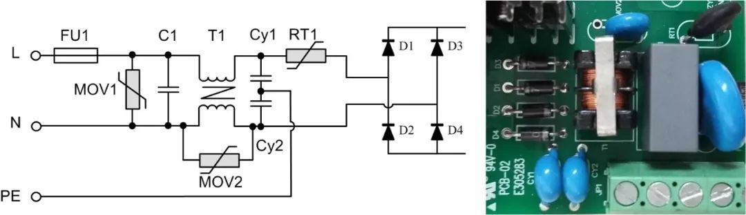
EMC前級電路設計經驗分享
日期:2018-12-26
作者:電子愛好者
來源:網絡
大家都知道,EMC 描述的是產品兩個方面的性能,即電磁發射/干擾EME和電磁抗擾EMS。EME中又包含傳導和輻射;而EMS中又包含靜電、脈沖群、浪涌等。本文將從EMS中的浪涌抗擾度
EMC設計元器件選擇及電路設計很關鍵
日期:2018-11-24
作者:
來源:
在PCB的EMC設計考慮中,首先涉及的便是層的設置;單板的層數由電源、地的層數和信號層數組成;在產品的EMC設計中,除了元器件的選擇和電路設計之外,良好的PCB設計也是一個非常重要的因
分享:單片機EMC設計的幾點建議
日期:2011-11-08
作者:admin
來源:原創
無
開關電源EMC設計中電容特性的分析
日期:2011-03-17
作者:admin
來源:原創
無
如何實現電磁兼容(EMC)
日期:2010-05-16
作者:admin
來源:原創
無
介紹電磁兼容(EMC)測試項目和對應標準
日期:2010-01-06
作者:admin
來源:網友
無
電磁兼容(EMC)常識
日期:2009-11-10
作者:admin
來源:網友
無
磁珠在-開關電源-EMC設計中的應用[電磁兼容]
日期:2009-06-29
作者:admin
來源:網絡
無
磁珠|在EMC設計中|的應用
日期:2009-06-29
作者:admin
來源:網絡
無
無
三線制pt100溫度傳感器接線圖1、 PT100鉑電阻傳感器有三條引線,可用A、B、C(或黑、紅、黃)來代表三根線,三根線之間有如下規律:A與B或C之間的阻值常溫下在110歐左右,B與C
無
無
無
標準阻值表 E-96 0603F(+1%) Standard Resistance Table 標準阻值表1 E-96 阻值 代碼
無
無
無
溫控器與接觸器接線圖220v: 在交流電220V的溫度控制系統中,常常會用溫度傳感器作為探頭,在將得到的溫度變化量傳給溫度控制器,在由溫度控制器發出指令動作從而控制交流接觸器,實現溫度上升與下降的目的,這種控制系統有一個問題,應用過度的朋友可能都會知道,當發熱區溫度接近溫控器設定溫度時,溫度在這個區域變化時,