太陽能電池在使用時
太陽光的變化較大,其內阻又比較高,
輸出電壓不穩定,輸出電流也小,這就
用一個直流變換
,
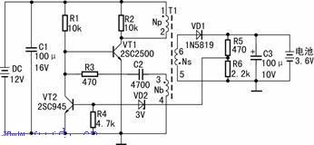
高頻變壓器T1通過初級線圈Np儲存能量;當開關管VT1截止時,次級線圈Ns為5負6正,高頻變壓器T1中存儲的能量通過VD1整流和電容C3濾波后向負載輸出。

電路工作原理簡述如下:
三極管VT1為開關電源管,它和T1、R1、R3、C2等組成自激式振蕩電路。加上輸入電源后,電流經啟動電阻R1流向VT1的基極,使VT1導通。VT1導通后,變壓器初級線圈Np就加上輸入直流電壓,其集電極電流Ic在Np中線性增長,反饋線圈Nb產生3正4負的感應電壓,使VT1得到基極為正,發射極為負的正反饋電壓,此電壓經C2、R3向VT1注入基極電流使VT1的集電極電流進一步增大,正反饋產生雪崩過程,使VT1飽和導通。在VT1飽和導通期間,T1通過初級線圈Np儲存磁能。與此
,感應電壓給C2充電,隨著C2充電電壓的增高,VT1基極電位
變低,當VT1的基極電流變化不能滿足其繼續飽和時,VT1 退出飽和區進入放大區。VT1進入放大
后,其集電極電流由放大
前的最大值下降,在反饋線圈Nb產生3負4正的感應電壓,使VT1基極電流減小,其集電極電流隨之減小,正反饋再一次出現雪崩過程,VT1迅速截止。VT1截止后,變壓器T1儲存的能量提供給負載,次級線圈Ns產生的5負6正的電壓經二極管VD1整流濾波后,在C3上得到直流電壓給手機電池充電。在VT1截止時,直流供電輸人電壓和Nb感應的3負4正的電壓又經R1、R3給C2反向充電,
提高VT1基極電位,使其重新導通,再次翻轉達到飽和
,電路就這樣重復振蕩下去。R5、R6、VD2、VT2等組成限壓電路,以保護電池不被過充電,這里以3.6V手機電池為例,其充電限制電壓為4.2V。在電池的充電過程中,電池電壓
上升,當充電電壓大于4.2V時,經R5、R6分壓后穩壓二極管VD2開始導通,使VT2導通,VT2的分流作用減小了VT1的基極電流,從而減小了VT1的集電極電流Ic,達到了限制輸出電壓的作用。
電路停止了對電池的大電流充電,用小電流將電池的電壓維持在4.2V。
元器件選擇和安裝調試
VT1要求Icm>0.5A,hEF為50-100,
2SC2500、2SC1008等,VD1為穩壓值為3V的穩壓二極管。 高頻變壓器T1要自制,用E16的鐵氧體磁芯,Np用φ0.21漆包線繞26匝,Nb用φ0.21漆包線繞8匝,Ns用φ0.41漆包線繞15匝。繞制時要注意各線圈的起始端不要搞錯,以免電路不起振或輸出電壓不正常。組裝時在兩塊磁芯間墊一層厚度約為0.03mm的塑料薄膜作磁芯氣隙。
太陽能電池板使用4塊面積為6cm×6cm的硅太陽能電池板,其空載輸出電壓為4V,當工作電流為40mA時輸出電壓為3V。
直流變換
4塊太陽能電池板串聯后使用,
電路的輸入電壓為12V。讀者可根據你能購到的太陽能電池板規格決定使用的數量和聯接方法。
元件的參數見圖1。
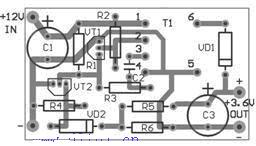
印刷電路板見圖2,尺寸為45×26mm2。

安裝完成后,接上太陽能電池板,并將其放在陽光下,空載時電路輸出電壓約為4.2V,當空載輸出電壓高于4.2V時可適當減小R5的阻值,反之容-源-電-子-網-為你提供技術支持
本文地址:http://www.6600560.cn/dz/26/2010414205435.shtml
本文標簽:
猜你感興趣:
PL7501C 雙節鋰電池充電管理芯片
關鍵詞: 所屬欄目:元器件知識
PL7501CL 雙節鋰電池充電管理芯片
關鍵詞: 所屬欄目:元器件知識
PL7152 雙節可充電鋰電池保護電路
關鍵詞: 所屬欄目:元器件知識
PL7022/B 雙節可充電鋰電池保護電路
關鍵詞: 所屬欄目:元器件知識
JD6621 快速充電協議,USB-PD 3.0與PPS控制器
關鍵詞: 所屬欄目:元器件知識
FP6601AA USB Type-A 快速充電協議控制器
關鍵詞: 所屬欄目:元器件知識
FP6606C USB類型-C和PD充電控制器
關鍵詞: 所屬欄目:元器件知識
FP6601Q QC2.0/3.0快速充電芯片
關鍵詞: 所屬欄目:元器件知識
FP6606AC USB雙端口充電控制器
關鍵詞: 所屬欄目:元器件知識
PL513/PL515 單/雙口 USB 充電協議端口控制器
關鍵詞: 所屬欄目:元器件知識
YSX530GA高可靠性陶瓷晶體助力歐標充電樁性能提升
​隨著新能源車輛的普及,充電基礎設施的建設也日益發展。新能源充電樁行業中,穩定的頻率控制和精準的信號輸出對于充電設備的性能和可靠性至關重要。為滿足這一需求,XG1SI-111-13.56M陶瓷晶體YSX530GA,為歐標充電槍的穩定工作提供了可靠保障。
關鍵詞: 所屬欄目:元器件知識
TP4055 500mA 線性鋰離子電池充電器
描述
TP4055 是一款完整的單節鋰離子電池充電器,帶電池正負極反接保護,采用恒定
電流/恒定電壓線性控制。其 SOT 封裝與較少的外部元件數目使得 TP4055 成為便攜式應用的理想選擇。TP4055 可以適合 USB 電源和適配器電源工作。
由于采用了內部 PMOSFET 架構,加上防倒充電路,所以不需要外部檢測電阻器和
隔離二極管。熱反饋可對充電電流進行自動調節,以便在大功率操作或高環境溫度條件下對芯片溫度加以限制。充滿電壓固定于 4.2V,而充電電流可通過一個電阻器進行外部設置。當電池達
關鍵詞: 所屬欄目:集成塊資料
TP4054 線性鋰離子電池充電器
概述
TP4054 是一款完整的單節鋰離子電池采用恒定電流/恒定電壓線性充電器。其 SOT
封裝與較少的外部元件數目使得 TP4054 成為便攜式應用的理想選擇。TP4054 可以適合USB 電源和適配器電源工作。
由于采用了內部 PMOSFET 架構,加上防倒充電路,所以不需要外部檢測電阻器和
隔離二極管。熱反饋可對充電電流進行調節,以便在大功率操作或高環境溫度條件下對芯片溫度加以限制。充電電壓固定于 4.2V,而充電電流可通過一個電阻器進行外部設置。當充電電流在達到最終浮充電壓之后降至設定值
關鍵詞: 所屬欄目:集成塊資料
IU5302 充滿轉燈截止電壓可調的2A單節磷酸鐵鋰電池/鋰
現在市場上常見的充電芯片,恒壓充電電壓(俗稱轉燈電壓、充滿截止電壓等)一般是固定的。如鋰電池的充電管理芯片一般為4.2V,磷酸鐵鋰電池的充電芯片一般為3.6V,無法滿足各種不同類型電池的充電應用。深圳市永阜康科技有限公司總結充電管理芯片的應用痛點,大力推廣一款2A同步降壓型充電管理IC-IU5302,恒壓充電電壓可調(2V-5V)、可以滿足單節磷酸鐵鋰電池、鋰電池及其它類型電池的充電需求。
關鍵詞: 所屬欄目:電源電路
M3033 內置PD2.0/QC2.0快充協議2-7串多節升降壓鋰電充
深圳市永阜康科技有限公司現在大力推廣成都水芯電子的一顆內置PD2.0/QC2.0等快充協議多節100W升降壓鋰電充電管理芯片M3033,可支持2-7串鋰電快速充電,滿足多串大容量鋰電池組應用場合。高度集成的芯片設計,可以做成很小體積的成品,應用簡單,直接使用Type-C充電,無需專用充電器、避免資源浪費。
關鍵詞: 所屬欄目:電源電路
28V 高壓線性充電管理芯片 ZCC3221
描述:
ZCC3221 是一款單節鋰離子電池恒流/恒壓線性充電器,采用底部帶散熱片的SOP8封裝以及簡單的外部應用電路,非常適合便攜式設備應用,適合USB電源和適配器電源工作,
關鍵詞: 所屬欄目:電子器材
CS5092 5V充雙節鋰電充電管理IC解決方案
深圳市永阜康科技有限公司推出針對8.4V雙節鋰電池,推廣一顆采用SOT23-6極簡封裝、固定0.85A充電電流升壓型充電管理IC-CS5092,該芯片是現階段同類型產品中最少管腳、外圍元件最少的,非常適合應用于藍牙音響、玩具、手持打印機、無人機、電動工具等產品領域。
關鍵詞: 所屬欄目:電源電路
高性能導熱硅膠片為高品質車載充電器散熱設計提供解決
車載充電器散熱應用的導熱硅膠片需滿足:導熱性能要好、柔軟、耐高溫、耐高低溫、高可靠性且安全環保。兆科電子嚴守品質關,以高標準來嚴格要求自己,在選擇車載充電器導熱界面材料方案也不例外。兆科導熱材料生產廠推薦一款TIF100-02S導熱硅膠片產品,導熱系數為1.5W/mK,耐溫范圍-40 To 160 ℃,可按客戶需求裁切所需尺寸與形狀,滿足高品質車載充電器散熱設計方案。
關鍵詞: 所屬欄目:車載功放電路
5V升21V充電芯片
5V升壓充電21V五節鋰電池升壓充電管理芯片HU5911
關鍵詞: 所屬欄目:集成塊資料
5V升壓8.4V充電芯片
HU5810A是一款5V升壓8.4V充電芯片
關鍵詞: 所屬欄目:集成塊資料