LM324放大制作的人體熱釋電紅外報警開關 <<版權聲明:本文由容源電子網(www_dziuu_com)整理提供,部分內容來源于網絡,如有侵犯到你的權利請與我們聯系更正。》
紅外報警開關采用國內外最流行的PIR人體熱釋電傳感器作信號探測器,靈敏度高,探測距離可達10米
,其俯視角可達86°,水平視角可達120°。因它僅對人體釋放的、特定波長的紅外光最敏感,因而誤動作極小。 <<版權聲明:本文由容源電子網(www_dziuu_com)整理提供,部分內容來源于網絡,如有侵犯到你的權利請與我們聯系更正。》
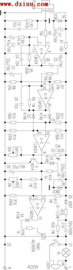
當有人在其探測區域內以0.3~3Hz的頻率活動時,它就能感生出微弱的電信號,經U-A、U-B兩級放大后,從U-B⑦腳輸出0.5~5.5V的強信號。 <<版權聲明:本文由容源電子網(www_dziuu_com)整理提供,部分內容來源于網絡,如有侵犯到你的權利請與我們聯系更正。》
D1、D2、R10~R13及U-C組成雙門限比較器,因PIR感生的信號電壓可正可負,故U-B⑦腳輸出的電壓亦可正可負(對中心電壓3V而言)。當其輸出的電壓達到4.1V
時,通過D1施加于U-C⑩腳的電壓高于⑨腳的電壓(3.3V),使U-C⑧腳輸出高電位;而當U-B⑦腳輸出的電位低于2V時,則U-C⑨腳的電壓將通過D2下降至2.7V以下,其⑧腳也輸出高電位。
<<版權聲明:本文由容源電子網(www_dziuu_com)整理提供,部分內容來源于網絡,如有侵犯到你的權利請與我們聯系更正。》
平時無信號時,
U-C⑨腳的電位(3.3V 高于⑩腳(2.7V),故⑧腳無輸出。當PIR接收到信號時,⑧腳就
輸出高電位,通過D3、R14給C8充電,使U-D{12}腳電位高于{13}腳,其{14}腳輸出高電位觸發雙向可控硅導通,點亮電燈。 <<版權聲明:本文由容源電子網(www_dziuu_com)整理提供,部分內容來源于網絡,如有侵犯到你的權利請與我們聯系更正。》
C8所儲電能通過R15、VR2放電需時約2分鐘,故在此2分鐘內燈一直亮著。當C8上的電壓低于{13}腳電壓(1V)時,{14}腳無輸出,可控硅關閉,燈自動熄滅。
<<版權聲明:本文由容源電子網(www_dziuu_com)整理提供,部分內容來源于網絡,如有侵犯到你的權利請與我們聯系更正。》
在夜間入眠或家中無人時,可將開關S閉合,一旦有小偷潛入探測區域內,在燈亮的
會伴隨著鈴聲大作,可以將小偷嚇跑,起到防盜的作用。 <<版權聲明:本文由容源電子網(www_dziuu_com)整理提供,部分內容來源于網絡,如有侵犯到你的權利請與我們聯系更正。》
溫馨提示:將鼠標指針放在圖片上,滾動鼠標可以動態改變圖片大小,方便分析電路圖。
光敏電阻cds及三極管V等組成光控電路,白天因光敏電阻的阻值很小?10kΩ以下),三極管V飽和導通,將U-C⑧腳鉗位至0.3V左右,故無論有無感應信號,可控硅均不能導通,燈不能點亮;到了夜晚,因光敏電阻的阻值變大到幾兆歐,三極管V導通截止,U-C⑧腳不再受其鉗位,一旦PIR接收到信號,⑧腳就立即輸出高電平,使可控硅導通,將燈點亮。 <<版權聲明:本文由容源電子網(www_dziuu_com)整理提供,部分內容來源于網絡,如有侵犯到你的權利請與我們聯系更正。》
本文地址:http://www.6600560.cn/dz/21/20111128200005.shtml
本文標簽:
猜你感興趣:
介紹人體紅外線探測報警器
無
LM324放大制作的人體熱釋電紅外報警開關
無
簡易紅外線防盜報警器
無
介紹紅外線防盜報警器
無