(區別1):
總線結構:MCS-51單片機的總線結構是馮-諾依曼型,計算機在同一個存儲空間取指令和數據,兩者不能同時進行;而PIC單片機的總線結構是哈佛結構,指令和數據空間是完全分開的,一個用于指令,一個用于數據,由于可以對程序和數據同時進行訪問,所以提高了數據吞吐率。正因為在PIC單片機中采用了哈佛雙總線結構,所以與常見的微控制器不同的一點是:程序和數據總線可以采用不同的寬度。數據總線都是8位的,但指令總線位數分別位12、14、16位。
(區別2):
流水線結構:MCS-51單片機的取指和執行采用單指令流水線結構,即取一條指令,執行完后再取下一條指令;而PIC的取指和執行采用雙指令流水線結構,當一條指令被執行時,允許下一條指令同時被取出,這樣就實現了單周期指令。
(區別3):
寄存器組:PIC單片機的所有寄存器,包括I/O口,定時器和程序計數器等都采用RAM結構形式,而且都只需要一個指令周期就可以完成訪問和操作;而MCS-51單片機需要兩個或兩個以上的周期才能改變寄存器的內容。

本文地址:http://www.6600560.cn/dz/22/PCI-C51-0955.shtml
本文標簽:
猜你感興趣:
PS7516 2.5A高效同步PWM增壓轉換器
關鍵詞: 所屬欄目:元器件知識
PL7512A 非同步的PWM提升轉換器
關鍵詞: 所屬欄目:元器件知識
PL513/PL515 單/雙口 USB 充電協議端口控制器
關鍵詞: 所屬欄目:元器件知識
干電池升壓IC 3.3V的電源芯片PW5100
PW5100 的工作頻率高達 1.2MHz,其目的是為了能夠減小外部的電感尺寸和輸出電容容值,故 PW5100 只需要 1uH 以上的電感就可以保證正常工作,
但是輸出端如果需要輸出大電流負載(例如:輸出電流大于 200mA),為了提高工作效率,建議使用較大一點的電感。
同時輕載應用,輸出電流10M,50MA左右時,建議使用大的的電感如6.8UH。
關鍵詞: 所屬欄目:電子器材
PC1961同步升壓芯片直接替代PW5100
產品概述
PC1961系列產品是一款低功耗高效率、低紋波、工
作頻率高的 PFM 控制升壓 DC-DC 變換器。
PC1961 系列產品僅需要3個外部元器,即可完成低
輸入的電池電壓輸入。
用途
1-3 個千電池的電子設備數碼相機。電子詞典 LED手電簡、LED燈
血壓計、MP3、遙控玩具 無線耳機、無線鼠標鍵盤、醫療器械
防丟器、汽車防盜器、充電器 VCR、PDA 等手持電子設備
典型應用電路
.
,產品特點
最高效率:94% 最高工作頻率:300KHz 低
關鍵詞: 所屬欄目:集成塊資料
HT8513 單節鋰電供電內置動態同步升壓5W單聲道音頻功放
深圳市永阜康科技有限公司針對便攜式藍牙音箱以及4寸、6寸手提戶外音箱的應用需求,推廣一款單節鋰電池供電內置動態同步升壓5W單聲道音頻功放IC-HT8513。HT8513相比同類競品有三大優勢:一是采用高效率的同步升壓,相比非同步效率提高5%,并且外圍不需要肖特基二極管,外圍升壓采用小電感,PCB面積也更小,整機成本更低;二是動態升壓,芯片內部自動檢測輸入音頻信號大小,小信號不升壓,大信號自動升壓,極大延長鋰電池的續航時間(尤其是中小音量播放時測試,相對恒定升壓音頻功放播放時間延長15%以上);三是相比電荷
關鍵詞: 所屬欄目:音頻功放電路
PW5100干電池升壓3.3V芯片
PW5100適用于一節干電池升壓到3.3V,兩節干電池升壓3.3V的升壓電路,PW5100干電池升壓IC。干電池1.5V和兩節干電池3V升壓到3.3V的測試數據兩節干電池輸出5
關鍵詞: 所屬欄目:元器件知識
1.5V升壓3V集成電路升壓芯片-PW5100
干電池1.5V升壓3V的升壓芯片,適用于干電池升壓產品輸出3V供電
1.5V輸入時,輸出3V,電流可達500MA。
PW5100是一款效率大、10uA低功耗
PW5100輸入電壓:0.7V-5V
PW51
關鍵詞: 所屬欄目:元器件知識
PW5100應用電路,1.2V升壓到3V和3.3V的升壓芯片
1.2V鎳氫電池升壓到3V和3.3V輸出,1.2V升壓3V,1.2V升壓3.3V穩壓輸出供電的芯片。
PW5100 是一款低靜態電流、達效率、 PFM 模式控制的同步升壓變換器。 PW5100 所需的外部
關鍵詞: 所屬欄目:元器件知識
PW5100應用電路,1.2V升壓5V和2.4V升壓5V芯片,適用于
一節鎳氫電池1.2V升壓5V電路芯片,兩節鎳氫電池2.4V升壓到5V的電源芯片
PW5100具有寬范圍的輸入工作電壓,從很低的0.7V到5V電壓。
PW5100輸出電壓固定3V,3.3V,5V可選固
關鍵詞: 所屬欄目:元器件知識
PW6513典型應用電路,中文參數
一般說明
PW6513系列是一款高精度,高輸入電壓,低靜態電流,高速,低具有高紋波抑制的線性穩壓器。輸入電壓高達40V,負載電流為在電壓=5V和VIN=7V時高達300mA。該設備采用
關鍵詞: 所屬欄目:元器件知識
PW5100-1.5V升3.3V芯片電路圖,穩壓3.3V供電MCU模塊等
干電池1.5V可以升到3.3V,通過PW5100干電池升壓IC,于外圍3個元件:2個電容和一個電感即可組成1.5V升3.3V的電路系統。
關鍵詞: 所屬欄目:電路圖
PW5100-1.2V升3.3V芯片,大電流,應用MCU供電,3.3V穩
MCU供電一般是2.5V-5V之間等等都有,1.2V需要升到3.3V的升壓芯片來穩壓輸出3.3V給MCU供電。
同時1.2V的輸入電壓低,說明供電端的能量也是屬于低能量的,對于芯片自身供貨是也要求高。可以滿足的升壓芯片,就PW5100來滿足要求了。
關鍵詞: 所屬欄目:電路圖
新手教程:單片機的學習實踐步驟
運用單片機便是了解單片機硬件結構,以及內部資源的運用,在匯編或C語言中學會各種功用的初始化設置,以及完成各種功用的程序編制。 運用按鈕輸入信號,發光二極管顯現輸出
關鍵詞:51單片機PIC單片機單片機 所屬欄目:設計編程
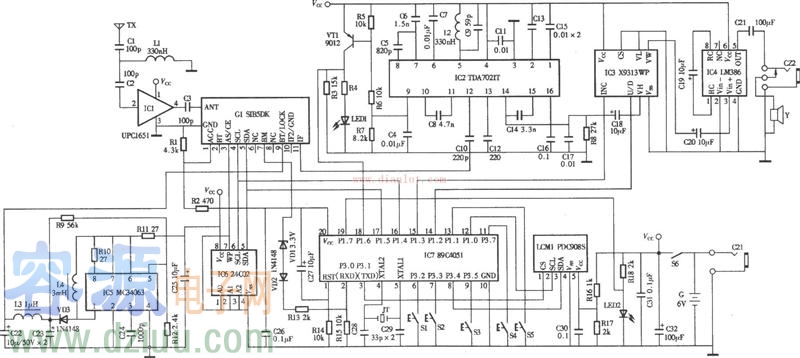
基于89c4051設計手持式頻率合成數字調頻收音機
89c4051是美國ATMEL公司生產的低電壓、高性能CMOS 8位單片機,片內含4k bytes的可反復擦寫的只讀程序存儲器(PEROM)和128bytes的隨機數據存儲器(RAM),器件采用ATMEL公司的高密度、非易失性存儲技術生產,兼
關鍵詞: 所屬欄目:音頻功放電路
應用單片機實現CAN總線與LIN總線間的傳輸設計方案
現場總線技術已經廣泛應用于工業控制中,尤其是CAN(Controler Area Nerwork)總線由于具有可靠性高、成本低、容易實現等優點,在現場總線實際工程應用中占有了較大份額。
關鍵詞:單片機 所屬欄目:設計編程
學習單片機可不可以只用軟件仿真而不做實驗
我的答案是:不可以原因如下:一、軟件仿真多用于教學,把更多精力用在軟件的實現上由于學生學習時間寶貴,焊接一套單片機實驗板又比較花時間,并且實驗項目太多,所以為了
關鍵詞:PIC單片機51單片機單片機 所屬欄目:設計編程
怎樣選擇最適合的單片機
對于新手來說,首先根據自己學的什么樣單片機就選什么類型的單片機,熟悉什么類型的單片機就選什么類型的單片機。因為單片機不僅要設計電路,還要設計控制軟件。選自己熟悉的單片機上手最快,也最容易獲得成功。下面介紹如何選擇最適合的單片機。
關鍵詞: 所屬欄目:設計編程
單片機晶振的作用是什么
單片機晶振的作用是什么
在初學單片機的時候,總是伴隨很多有關于晶振的問題,其實晶振就是如同人的心臟,是血液的脈搏,把單片機的晶振問題搞明白了,51單片機的其他問題
關鍵詞:51單片機PIC單片機單片機 所屬欄目:設計編程
用keil軟件編寫單片機程序的步驟
Keil單片機編程軟件Keil C51是單片機C語言軟件開發系統,與匯編相比,C語言在功能上、結構性、可讀性、可維護性上有明顯的優勢,因而易學易用。Keil提供了包括C編譯器、宏匯
關鍵詞:51單片機PIC單片機 所屬欄目:設計編程