


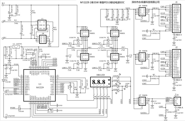
非常感謝用戶yongfukang 的投稿!
本文地址:http://www.6600560.cn/dz/23/16793048294749.shtml
本文標簽:
猜你感興趣:
PL7501C 雙節鋰電池充電管理芯片
關鍵詞: 所屬欄目:元器件知識
PL7501CL 雙節鋰電池充電管理芯片
關鍵詞: 所屬欄目:元器件知識
M12266 Type-C輸入3-6節鋰電池同口充放電管理移動電源
深圳市永阜康科技有限公司現在大力推廣一顆內置PD3.0/QC3.0等主流快充協議、3-6多節鋰電池移動電源雙向100W快充IC-M12266,配合極簡的外圍電路,即可實現常見便攜電子設備的Type-C快充需求。
關鍵詞: 所屬欄目:電源電路
M12269 支持PD3.1等快充協議、140W升降壓3-8節多串鋰電
深圳市永阜康科技有限公司現在順勢推廣一顆支持PD3.1/QC3.0等主流快充協議、3-8節升降壓型140W鋰電充放電管理SOC-M12269。
關鍵詞: 所屬欄目:電源電路
鋰電池充放電管理 (輸入5V輸出1.5V)ZCC5600
關鍵詞: 所屬欄目:電源電路
雙節鋰電池供電20W+2×10W移動2.1音響音頻放大升壓充電
深圳市永阜康科技有限公司推出基于CS8611E單芯片移動2.1聲道藍牙音箱解決方案。采用雙節鋰電池串聯8.4V做電源,再加一個升壓芯片CS5036E升壓到12V給CS8611E供電,實現20W+2×10W輸出;而充電采用CS5090E USB 5V輸入兩節鋰電池串聯8.4V充電管理芯片,非常方便。在鋰電池為電源的狀態下提供媲美傳統2.1音箱的聽覺體驗。
關鍵詞: 所屬欄目:專業功放電路
移動電源電路設計的原理圖
關鍵詞: 所屬欄目:電源電路
移動電源電路設計圖
隨著移動設備的增多,移動設備對電池續航要求也不斷提高,在移動設備電量不足的情況下,移動電源成為人們首先產品,移動電源應用非常廣泛,要對移動電源不斷要求的情況下,移動電源電池管理電路成為控制單元的核心部件,下面介紹一款移動電源電路圖:
關鍵詞: 所屬欄目:電路圖
移動電源故障及解決方法
無
關鍵詞: 所屬欄目:電源電路
實現移動電源的高轉換率設計
無
關鍵詞: 所屬欄目:電源電路
辨別移動電源芯片技術好壞技巧
無
關鍵詞: 所屬欄目:電源電路