傳統的電子捕鼠器體積大、重量沉,
長時間與市電連接,不便于野外使用,加之老鼠對電磁場較為敏感,捕鼠效果往往不理想。鑒于
不足,筆者設計了一款實用高效的捕鼠器電路,該電路捕鼠效果好、體積小、重量輕、耗電低(只有當老鼠觸碰導線時電路才工作),并具聲光指示等優點。該電路可采用蓄電池或容量稍大些的可充電池供電,即使在無市電或野外場所也可照常使用,且電路簡單易制。本文由www.6600560.cn整理提供,部分內容來源于網絡,如有侵犯到你的權利請與我們聯系更正。
一、工作原理本文由www.6600560.cn整理提供,部分內容來源于網絡,如有侵犯到你的權利請與我們聯系更正。
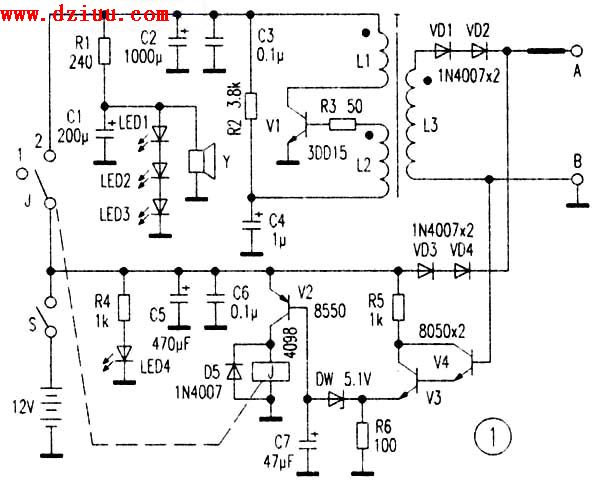
電路見圖1。整個捕鼠器由升壓電路和控制電路組成。平時,A、B兩端電阻為無窮大,當老鼠觸碰導線A、B兩端時電阻變小,控制電路由截止
變為導通
,繼電器吸合,升壓電路中的振蕩電路工作,使L3上產生1000V~1500V左右的高壓,再經VD1、VD2整流后輸出,將老鼠擊斃(VD3、VD4起隔離作用,防止高壓損壞控制電路中的元件),
訊響器和發光二極管LED1~LED3也接通
二、自制方法
振蕩變壓器T可采用黑白電視機的行輸出變壓器磁芯繞制。加熱后先將原線圈、骨架拆除,然后自制骨架。骨架可由繞制收音機中波天線線圈的內徑11mm的塑料圓管和三片內徑14mm、外徑40mm的圓形塑料片用膠水粘在一起制成(如圖2),骨架做好后
繞線。12用Φ0.25mm的漆包線在骨架上密繞25圈,加一層青殼紙后再繞L1,L1用傘0.39mm漆包線繞60圈引出,D用中0.15mm漆包線密繞2000圈,找出各繞組同名端分別固定,然后在線圈上浸上一層絕緣漆以增強其絕緣強度。為防止磁飽和,應將磁芯留一點磁隙,再扣上磁芯,用膠水固定
。V1可采用β值稍大些的普通塑封大功率三極管,如3DD15、BU406等。
三、調試
不接控制電路和整流二極管,先將A、B兩點接一日光燈管.然后接通電源。
應能聽到變壓器的輕微振蕩聲。將一只2kΩ的固定電阻和一只2kΩ可調電阻串聯后接于R2處,
可調電阻,當把燈管點至最亮時,測出其阻值后找一合適電阻焊于R2處
。如接通電源后電路不工作,可改變L2同名端,然后將控制電路接上,用一只100kΩ電阻接于A、B處,接通電源后控制繼電器J如吸合,則訊響器應發出聲音,LED1-LED3應發光。電路調試完畢
使用。
A導線
裸銅線代用。為吸引老鼠也可在銅線上掛些誘餌。B可接于鐵板或潮濕的地面。為
導電性也可在地上灑些鹽水。將導線置于老鼠經常出沒的地方,當有老鼠觸碰銅線時控制電路工作,接通升壓電路,將老鼠擊斃,訊響器發音通知盡快將老鼠尸體移去。如捕鼠場所與住處較遠,可以用市售遙控組件改制,使其以無線發射的形式通知有老鼠被擊斃。


本文地址:http://www.6600560.cn/dz/25/2010112871922.shtml
本文標簽:
猜你感興趣:
實用高效電子捕鼠器電路
無