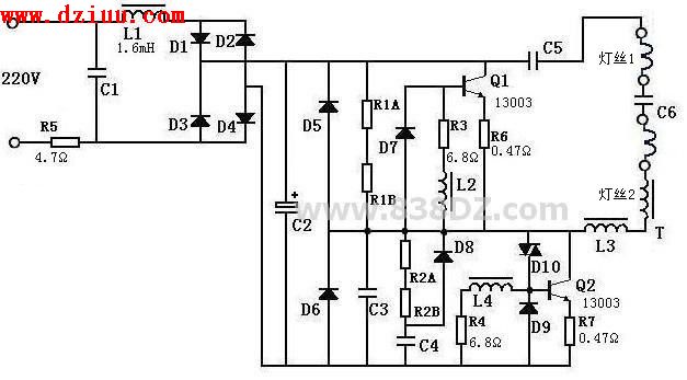
24W飛利浦節能燈電路圖本文由www.6600560.cn整理提供,部分內容來源于網絡,如有侵犯到你的權利請與我們聯系更正。
本文由www.6600560.cn整理提供,部分內容來源于網絡,如有侵犯到你的權利請與我們聯系更正。
沒注明的零件:
R1A R1B R2A R2B=220K
D1 D2 D3 D4 D7 D8 D9=1N4007
D5 D6=FR107s
D10=DB3
C1=0.1μ /400V
C2=6.0μ /400V
C3=1500P /1200V
C4=
C5= 0.047μ / 1200V
C6=3300P /1200V
L1 L2 L3 套在一個磁環內

本文地址:http://www.6600560.cn/dz/26/20101127191331.shtml
本文標簽: