無靜態功耗觸摸延熄開關.電路如圖所示。由于在圖中的R8處,串聯了一個耐壓400V以上的小容量電容C5,平時沒有任何靜態電流。每次SCR1導通的時候,此小容量電容通過R1、R8、R9放電,延熄結束后,220V脈動直流電向此小容量電容快速充電。由于V1、V2導通時,C4上電壓只有0.6V左右,要把C4上不多的電荷放掉,對于電容C5只要幾千皮法即可,圖中C5為3900PF/500V。
三極管V1、V2構成模擬單向可控硅,一旦導通,就快速進入飽和狀態,對應C2上的電荷快速被釋放,結果SCR1快速關斷。由于采用了模擬單向可控硅,觸發電流極小,不到1微安,因此R3阻值可以取得很大,對應C4容量可以很小,讓C4電荷放掉的R8支路電流也可相應降低。如果三極管V3電流放大倍數大于50,C5容量還可減小。經實驗,C5取2200pF,R8取3.3MΩ,也能正常工作。圖中R3取1.5MΩ,C4取l00μF,延熄時間實測68秒。所有電子元件成本約為1.58元。

本文地址:http://www.6600560.cn/dzdiy/15502805433166.shtml
本文標簽:
猜你感興趣:
昆侖通態觸摸屏無線采集4-20mA模擬量信號有效距離5KM
本方案是昆侖通態觸摸屏與4臺DTD433FC無線模擬量信號測試終端進行無線 Modbus 通信的實現方法。本方案中昆侖通態觸摸屏作為主站顯示各從站的模擬量信號,傳感器、DCS、PLC、
關鍵詞: 所屬欄目:元器件知識
基于LM356的音調開關電路原理圖
LM567為通用音調譯碼器,當輸入信號于通帶內時提供飽和晶體管對地開關,電路由兩個檢波器構成,由電壓控制振蕩器確定譯碼器中心頻率。用外接元件獨立設定中心頻率帶寬和輸出延遲。主要用于振蕩、調制、調解和遙
關鍵詞: 所屬欄目:音頻功放電路
cd4093應用開關電路(應急照明燈電路圖)
cd4093應用開關電路.文中介紹CD4093應用開關電路,用于應急照明使用,電路采用9V供電,CD4093為控制芯片,電路簡單、適用性強。如圖所示為一種用發光二極管構成的
關鍵詞:LED照明電路 所屬欄目:集成塊資料
燈籠光控自動開關電路
新春佳節,紅紅的大燈籠給節日增添了不少喜慶吉祥的氣氛。但絕大部分的燈籠都是靠人工手動開/關,使用不便。其實,電子愛好者只要做一個實用的光控自動開關,就可使燈籠在
關鍵詞: 所屬欄目:電子制作
單觸摸片無靜態功耗觸摸開關電路
電路如圖所示。二極管VD1—VD4構成橋式整流,可控硅SCRS1在電路中進行電源通斷控制。小電流觸發可控硅SCRS2實現觸摸開的控制,三極管VT1實現觸摸關的控制。平時可控硅
關鍵詞: 所屬欄目:電子制作
如何設計和實現可延長電池壽命的低能量觸摸系統
觸摸感應屏幕為手持設備增添了許多功能。它們還可以節省(電池)壽命。盡管在過去幾年中設計低能耗系統取得了很大進展 - 電池能量密度更高,電子消耗更少,電源管理更精細
關鍵詞: 所屬欄目:設計編程
電容式觸摸傳感技術的性能優化與應用
隨著觸摸屏變得越來越復雜,使用它們進行設計變得更具挑戰性。幸運的是,良好設計的規則沒有改變,并且有許多解決方案可以幫助您應對挑戰。人機界面(HMI)在過去幾年中經歷
關鍵詞: 所屬欄目:設計編程
構建移動多傳感器的觸摸顯示系統
移動設備似乎都有觸摸屏顯示器,而且通常還有許多其他傳感器。了解底層技術可以幫助您評估這些設計中不可避免的權衡。現代游戲,醫療和移動設備主要由集中顯示器為主要用戶
關鍵詞: 所屬欄目:設計編程
易改實用的排氣扇延時開關電路
此種排氣扇延時開關優點如下:1、不改變布線,不改變現有墻壁開關外觀。通常墻壁開關只將火線引入墻壁開關暗盒內,而許多排氣扇延時開關都需要同時接入零線和火線,這給改造
關鍵詞: 所屬欄目:其他文章
單板觸摸傳感器
該系統在振蕩器的容量負載低于它的頻率這一原則上操作。當異物進入并且觸碰到觸摸板,U1的頻率就會下降。這將從U1從U2的通帶消除振蕩信號,這使U2解鎖,關閉LED,并且使得Q1的集電極變為低
關鍵詞: 所屬欄目:傳感器技術
金屬接近開關電路圖解
當金屬不靠近探頭時,高頻振蕩器工作,振蕩信號經DV1、DV2倍壓整流,得到一直流電壓使BG2導通,BG3截止,后續電路不工作。當有金屬靠近探頭時,由于渦流損耗,高頻振蕩器停振,BG2截止,
關鍵詞: 所屬欄目:傳感器技術
基于51單片機的電力載波通信開關電路的制作(圖文)
一、原理圖: 二、C程序源代碼 /*
此程序已經經本人親自調試運行過,如有疑問,請聯系
QQ:286288986
*/
#include //預定義頭文件
#define uchar unsigned char //宏定義
sbit k
關鍵詞:單片機開關穩壓電源51單片機 所屬欄目:電路圖
三極管開關電路改進接法電路圖(圖文)
我們所設定的低電壓準位未必就能使三極管開關截止,尤其當輸入準位接近0.6伏特的時候更是如此。想要克服這種臨界狀況,就必須采取修正步驟,以保證三極管必能截止。圖6就是針對這種狀
關鍵詞: 所屬欄目:電路圖
電容觸摸MSP430電路與LED驅動電路圖
MSP430系列單片機以低功耗和外設模塊的豐富性而著稱,而針對電容觸摸應用,MSP430的PIN RO 電容觸摸檢測方式支持IO 口直接連接檢測電極,不需要任何外圍器件,極大的簡化了電路設計,而
關鍵詞:LEDLED電路圖LED驅動電路圖 所屬欄目:電路圖
NE556組成觸摸調光燈電路
(1)NE556與FX556、LM556、uA556等一些雙極雙時基集成電路引腳功能一樣,主要電參數相近,因此,在許多的一些實用電路中可以互相借鑒。另外,還有CMOS型的雙時基集成電路,例如CH7556、
關鍵詞: 所屬欄目:電路圖
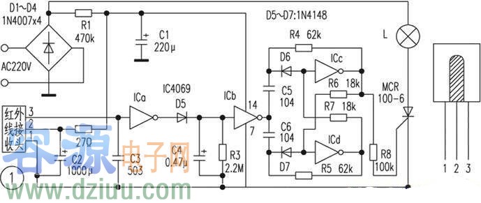
IC4069簡易紅外遙控開關電路圖
4069簡易紅外遙控開關電路圖。現在家庭中TV、VCD、VCR等紅外遙控發射器擁有量較普遍,本電路針對它們的性能而構思,使遙控發射器發揮另一用途:發射紅外信號,控制照明燈具,其控制距離
關鍵詞: 所屬欄目:電路圖
LM358應用電路之聲控延時開關電路
LM358是雙運算放大器。內部包括有兩個獨立的、高增益、內部頻率補償的運算放大器,適合于電源電壓范圍很寬的單電源使用,也適用于雙電源工作模式,在推薦的工作條件下,電源電流與電源電壓無關。它的使用范圍包括
關鍵詞: 所屬欄目:電路圖
多地控制開關電路
本文為大家介紹四種多地控制開關電路。
多地控制開關電路----電路一
本例介紹一款具有延時功能的多地控制開關,采用多只按鈕來控制一路照明燈。按動任一只按鈕,均可使照明燈點亮,3min左右照明燈自動
關鍵詞: 所屬欄目:電路圖
觸摸延時開關電源電路
觸摸延時開關電源電路 所示為觸摸延時開關電源電路。手觸動觸摸片時,相當于給VT1基極一個觸發信號使之導通,于是VI2也導通,電源經VT2給電容器cz充電,當充電電壓足夠高時,VT2截止,VT3導通,VT4也隨之導通
關鍵詞: 所屬欄目:開關電源電路圖
電容式觸摸屏介紹
一、簡介
電容式觸摸屏的構造主要是在玻璃屏幕上鍍一層透明的薄膜體層,再在導體層外加上一塊保護玻璃,雙玻璃設計能徹底保護導體層及感應器。
電容式觸摸屏在觸摸屏四邊均鍍上狹長的電極,在導電體內形成一個
關鍵詞: 所屬欄目:元器件知識