音頻信號是(Audio)帶有語音、音樂和音效的有規律的聲波的頻率、幅度變化信息載體。 根據聲波的特征,可把音頻信息分類為規則音頻和不規則聲音。其中規則音頻又可以分為語音、音樂和音效。規則音頻是一種連續變化的模擬信號,可用一條連續的曲線來表示,稱為聲波。聲音的三個要素是音調、音強和音色。聲波或正弦波有三個重要參數:頻率 ω0、幅度A n 和相位ψn ,這也就決定了音頻信號的特征。
材料BOM表清單:
R1-2= 1Mohms
R5-6= 1Mohms
R5-6= 1Mohms
R3= 150Kohms
R4-8= 1Kohms
R7= 220Kohms
R9= 470Kohms
C1-6= 220nF 100V MKT
C2= 100pF ceramIC
C3= 1uF 25V
C4= 47uF 25V
C5= 10uF 25V
C7-8= 100nF 100V MKT
C9-10= 4.7uF 25V
D1-2= 1N4148
IC1= TL072
IC2= 4011
IC3= 4016 - 4066
J1-2= RCA Famale Plung
RV1= 47Kohms Log. pot.
RV2= 47Kohms Lin. pot.
All Resistors is 1/4W 1-5%
容-源-電-子-網-為你提供技術支持
本文地址:http://www.6600560.cn/gongfangdianlu/y/15802586583654.shtml
本文標簽:
猜你感興趣:
FP6601A Type-A HVDCP 控制器與插入/輸出自動檢測
關鍵詞: 所屬欄目:元器件知識
時控開關不能自動定時開關但手動可以開關?
關鍵詞: 所屬欄目:開關電源電路圖
時控開關怎么設置自動?
關鍵詞: 所屬欄目:開關電源電路圖
時控開關可以自動校時嗎?
按鍵式時控開關設置定時的步驟:解鎖→校時(要分別校對星期、小時、分鐘)→設置定時→調至自動。且不說定時設置,就校時而言,如果當前時間是禮拜六12點50分
關鍵詞: 所屬欄目:開關電源電路圖
普通電燈怎么實現自動定時開關?
普通電燈想要實現自動定時開/關,安裝一個定時開關就可以了,設置好定時之后,就可以根據自己的需求,進行定時開/關。藍牙定時開關通過藍牙與手機進行連接,小程序進行控制
關鍵詞: 所屬欄目:開關電源電路圖
時控開關怎么自動校準時間?
關鍵詞: 所屬欄目:開關電源電路圖
使用555制作全自動電冰箱保護器電路
使用555制作全自動電冰箱保護器電路
當交流電網電壓超過正常值240V時,RP1取樣電壓增高,VD10擊穿,VT導通,其集電極輸出低電平,VD7導通,使IC的觸發端2腳處于低電平
關鍵詞: 所屬欄目:其他文章
時控開關手動、自動怎么切換?
關鍵詞: 所屬欄目:開關電源電路圖
自動轉換雙電源電路圖
在這里分享一個雙電源切換電路,在電子設計中經常會用到。工作原理:1、有 BAT1 3.8V,沒有 VIN_5V 時:電壓從 U1 的 D 極經過 MOS 管的體二極管到達 S 極,S≈3.6V(
關鍵詞: 所屬欄目:電源電路
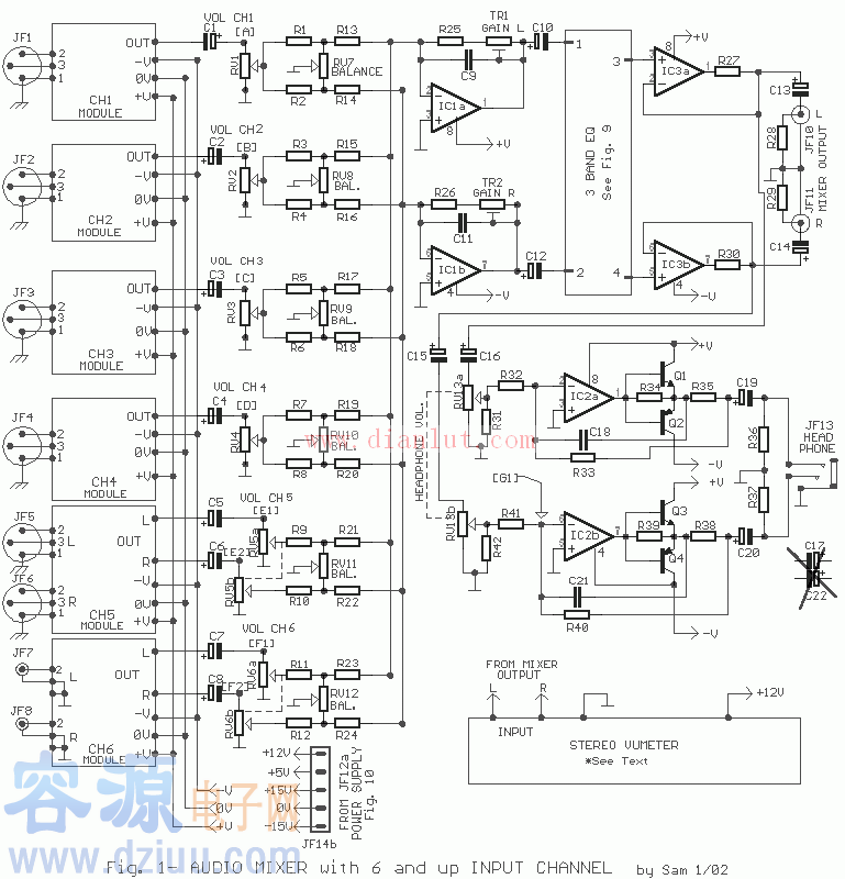
多達6個輸入通道的模塊化混頻器音頻電路
音頻信號是(Audio)帶有語音、音樂和音效的有規律的聲波的頻率、幅度變化信息載體。 根據聲波的特征,可把音頻信息分類為規則音頻和不規則聲音。其中規則音頻又可以分為語音、音樂和音效。規則音頻是一種連續變
關鍵詞: 所屬欄目:音頻功放電路
自動響度控制的電路圖
VIO ALC-HD高清響度控制器可以對嵌入高清數字信號中的音頻按照預設響度值做自動響度運算處理。利用最新DSP技術,按照ITU-R BS1700標準對輸入的音頻信號實時預估、計算,獨有的快速預測能力使播出節目在延時最少
關鍵詞: 所屬欄目:音頻功放電路
倒相的自動平衡式電子管電路
電子管,是一種在氣密性封閉容器(一般為玻璃管)中產生電流傳導,利用電場對真空中的電子流的作用以獲得信號放大或振蕩的電子器件。早期應用于電視機、收音機擴音機等電子產品中,近年來逐漸被晶體管和集成電路
關鍵詞: 所屬欄目:音頻功放電路
全自動交流穩壓電源電路圖
高質量的立體聲無線麥克風音頻電路原理圖
如圖所示電路是立體聲調頻無線麥克風,我們測試它超過50米,它的音響,提供出乎意料的好音質。 :
關鍵詞: 所屬欄目:音頻功放電路
燈籠光控自動開關電路
新春佳節,紅紅的大燈籠給節日增添了不少喜慶吉祥的氣氛。但絕大部分的燈籠都是靠人工手動開/關,使用不便。其實,電子愛好者只要做一個實用的光控自動開關,就可使燈籠在
關鍵詞: 所屬欄目:電子制作
風扇電機定時自動換向運轉電路
附圖所示電路可用于洗衣機或需要吸氣/排氣的風扇電機定時自動換向運轉電路。圖中虛線框內是電機M的電原理圖,C為裂相電容器,用作產生旋轉磁場使M轉動。L1、L2是參數完全相
關鍵詞:電機控制 所屬欄目:電子制作
魚缸水泵自動開停控制電路
如圖所示為魚缸水泵自動開停控制電路。它采用兩只555時基電路組成。其外圍電路具有相似的結構,通過交連電容C5、C3形成閉環。該裝置運行有兩個狀態:即工作狀態和間歇狀態。
關鍵詞: 所屬欄目:電子制作
電能表自動檢測系統的原理及設計(圖文)
今天為大家介紹一項國家發明授權專利——電能表自動檢測系統。該專利由廣州供電局有限公司申請,并于2017年8月1日獲得授權公告。內容說明本發明涉及電力儀表檢測
關鍵詞: 所屬欄目:設計編程
基于7806三端穩壓器實現自動燈控制器電路
7806是三端穩壓器,穩壓器,就是使輸出電壓穩定的設備。所有的穩壓器,都利用了相同的技術實現輸出電壓的穩定輸出電壓通過連接到誤差放大器(Error Amplifier)反相輸入端(Inverting I
關鍵詞:三端穩壓電路 所屬欄目:傳感器技術
交直流入不斷自動切換的電路
下圖是交直流入自動切換電路,市電電壓經變壓器T1降壓后,再經整流、濾波、穩壓后輸出,供負載工作。同時,另一路通過整流、濾波產生的直流電壓經RP分壓加到VT2的基極,VT2導通,VT1截止
關鍵詞: 所屬欄目:電源電路