HT7180/HT7181/HT7182升壓IC腳位圖以及管腳說明


鋰電池、鉛酸電池供電的戶外藍牙音箱的升壓+音頻功放IC組合應用說明
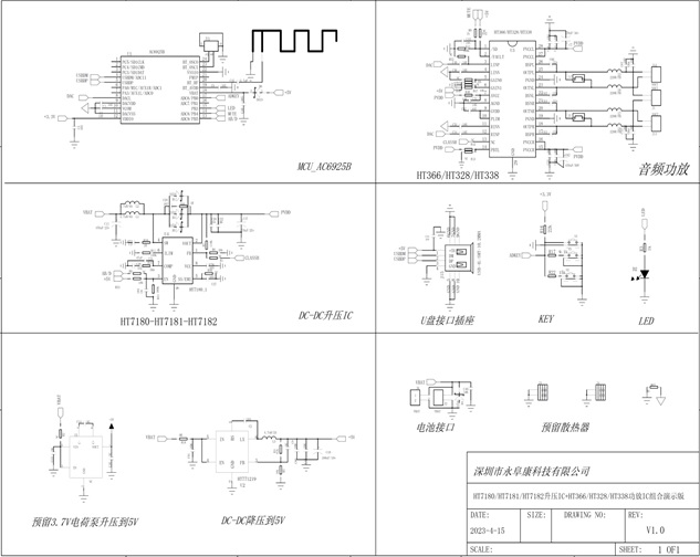
1.HT7180/HT7181/HT7182升壓IC+HT366/HT328/HT338功放IC組合演示板原理圖

2.HT7180/HT7181/HT7182升壓IC+HT366/HT328/HT338功放IC組合演示板PCB頂層設計圖
3.HT7180/HT7181/HT7182升壓IC+HT366/HT328/HT338功放IC組合演示板PCB底層設計圖

4.HT7180/HT7181/HT7182升壓IC+HT366/HT328/HT338功放IC組合演示板貼片圖

5.HT7180/HT7181/HT7182升壓IC+HT366/HT328/HT338功放IC組合演示板物料清單
6.HT7180/HT7181/HT7182升壓IC+HT366/HT328/HT338功放IC組合演示板實物圖
容-源-電-子-網-為你提供技術支持非常感謝用戶yongfukang 的投稿!
本文地址:http://www.6600560.cn/gongfangdianlu/y/16823252724759.shtml
本文標簽:
猜你感興趣:
PL2303 PFM升壓 DC-DC 變換器
關鍵詞: 所屬欄目:元器件知識
PS7516 2.5A高效同步PWM增壓轉換器
關鍵詞: 所屬欄目:元器件知識
PL7501C 雙節鋰電池充電管理芯片
關鍵詞: 所屬欄目:元器件知識
PL7501CL 雙節鋰電池充電管理芯片
關鍵詞: 所屬欄目:元器件知識
PL7152 雙節可充電鋰電池保護電路
關鍵詞: 所屬欄目:元器件知識
PL7022/B 雙節可充電鋰電池保護電路
關鍵詞: 所屬欄目:元器件知識
PS7526 高效 DC-DC 同步整流升壓轉換器
關鍵詞: 所屬欄目:元器件知識
PL7512A 非同步的PWM提升轉換器
關鍵詞: 所屬欄目:元器件知識
FP6715 5V、2.5A、550 KHz高效低波紋同步升壓轉換器
關鍵詞: 所屬欄目:元器件知識
M12266 Type-C輸入3-6節鋰電池同口充放電管理移動電源
深圳市永阜康科技有限公司現在大力推廣一顆內置PD3.0/QC3.0等主流快充協議、3-6多節鋰電池移動電源雙向100W快充IC-M12266,配合極簡的外圍電路,即可實現常見便攜電子設備的Type-C快充需求。
關鍵詞: 所屬欄目:電源電路
IU5207/IU5208 Type-C輸入升壓型2/3節鋰電池快充IC解
針對2/3節鋰電池供電的電子設備,最好的方式是采用通用Type-C接口充電,這樣就可以通用Type-C的充電器,便攜式移動電子設備出廠時搭配一根充電線就完美的解決上述應用的困擾,節省終端產品整機成本,避免材料的浪費。深圳市永阜康科技有限公司推出針對2/3節鋰電池充電應用,大力推廣Type-C輸入升壓型2/3節鋰電池快充IC系列-IU5207/IU5208,芯片極具性價比,應用簡單。
關鍵詞: 所屬欄目:電源電路
SD6271 1MHz,2A升壓電流模式PWM轉換器
一般說明
SD6271是一個電流模式升壓DC-DC轉換器。它的PWM電路內置0.25Q功率MOSFET使該調節器高效。內部補償網絡還最小化多達6個外部組件計數。誤差放大器的非反相輸入連接到一個0.6V的精度參考電壓,其整數啟動功能可以降低涌入電流。
SD6271可在“SOT23-6L”軟件包中使用,并為應用程序領域提供了節省空間的PCB。
關鍵詞: 所屬欄目:集成塊資料
TD8587 5V 2.1A 1.2MHz同步升壓轉換器芯片
一般說明
TD8587是一個同步整流器,固定的開關頻率(典型的1.2MHz),和電流模式的升壓調節器。該設備允許為USB設備使用小型電感器和輸出電容器。該電流模式控制方案具有快速的瞬態響應和良好的輸出電壓精度。
在輕負載下,TD8587將自動進入脈沖調頻(PFM)操作,以減少主要的開關損耗。在PFM運行期間,IC消耗非常低的靜止電流,并在整個負載范圍內保持高效率。TD8587還包括電流限制和過溫停機,以防止在輸出過載時的損壞。
TD8587有ESOP-8軟件包。
關鍵詞: 所屬欄目:集成塊資料
M12229 雙節串聯鋰電池充放電管理的35W移動電源雙向快
現在市場上一般采用升降壓型充電管理芯片+快充協議芯片來實現,應用設計及外圍比較復雜。深圳市永阜康科技有限公司現在大力推廣一顆內置PD3.0/QC3.0快充協議升降壓型35W兩節鋰電充放電SOC芯片-M12229,輸入電壓3.3V-20V,最大充電電流5A,最大輸入/輸出功率35W,適用于雙節串聯大容量鋰電池的快速充電場合。
關鍵詞: 所屬欄目:電源電路
IU5302 充滿轉燈截止電壓可調的2A單節磷酸鐵鋰電池/鋰
現在市場上常見的充電芯片,恒壓充電電壓(俗稱轉燈電壓、充滿截止電壓等)一般是固定的。如鋰電池的充電管理芯片一般為4.2V,磷酸鐵鋰電池的充電芯片一般為3.6V,無法滿足各種不同類型電池的充電應用。深圳市永阜康科技有限公司總結充電管理芯片的應用痛點,大力推廣一款2A同步降壓型充電管理IC-IU5302,恒壓充電電壓可調(2V-5V)、可以滿足單節磷酸鐵鋰電池、鋰電池及其它類型電池的充電需求。
關鍵詞: 所屬欄目:電源電路
IU8689+IU5706 單聲道100W/立體聲60W同步升壓+功放IC大
深圳市永阜康科技有限公司推出基于IU8689+IU5706、單聲道100W/立體聲2x60W同步升壓+功放IC大功率拉桿音箱應用組合方案,升壓效率高達96%。在提供更大功率輸出的前提下,整套方案組合極具性價比。
關鍵詞: 所屬欄目:車載功放電路
ACM3108/ACM3128/ACM3129立體聲D類功放芯片系列動態調
深圳市永阜康科技有限公司現在大力推廣具備動態調整升壓CLASS H功能的D類功放芯片系列-ACM31XX系列,功率覆蓋單聲道10W-100W、雙聲道2*10W-2*50W,供電滿足1-5串鋰電池及鉛酸電池的應用,能夠保證足夠功率輸出及音質體驗的前提下,極大延長電池的續航時間。
關鍵詞: 所屬欄目:音頻功放電路
CS8685 雙聲道2x80W大功率D類音頻功放IC解決方案
日前,深圳市永阜康科技有限公司大力推廣一顆2x80W雙聲道大功率D類音頻功放IC-CS8685H,采用獨有的EQB-32(頂部散熱焊盤外接散熱器)封裝,強勁的驅動能力能夠保證大功率輸出,在26V電源電壓驅動2個4歐揚聲器、無需任何功率或電流限制、實現大功率高效率的音頻輸出。充分滿足條形音箱、后裝汽車音頻解決方案、大功率藍牙音箱的使用需求.
關鍵詞: 所屬欄目:音頻功放電路
干電池升壓IC 3.3V的電源芯片PW5100
PW5100 的工作頻率高達 1.2MHz,其目的是為了能夠減小外部的電感尺寸和輸出電容容值,故 PW5100 只需要 1uH 以上的電感就可以保證正常工作,
但是輸出端如果需要輸出大電流負載(例如:輸出電流大于 200mA),為了提高工作效率,建議使用較大一點的電感。
同時輕載應用,輸出電流10M,50MA左右時,建議使用大的的電感如6.8UH。
關鍵詞: 所屬欄目:電子器材
PC1961同步升壓芯片直接替代PW5100
產品概述
PC1961系列產品是一款低功耗高效率、低紋波、工
作頻率高的 PFM 控制升壓 DC-DC 變換器。
PC1961 系列產品僅需要3個外部元器,即可完成低
輸入的電池電壓輸入。
用途
1-3 個千電池的電子設備數碼相機。電子詞典 LED手電簡、LED燈
血壓計、MP3、遙控玩具 無線耳機、無線鼠標鍵盤、醫療器械
防丟器、汽車防盜器、充電器 VCR、PDA 等手持電子設備
典型應用電路
.
,產品特點
最高效率:94% 最高工作頻率:300KHz 低
關鍵詞: 所屬欄目:集成塊資料