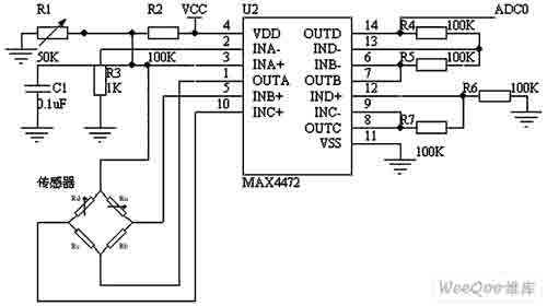
如下圖所示,本電路采用BP01型壓力傳感器和運放MAX4472。BP01型壓力傳感器是為檢測血壓而專門設計的,主要用于便攜式電子血壓計。它采用精密厚膜陶瓷芯片和尼龍塑料封裝,具有高線性、低噪聲和外界應力小的特點;采用內部標定和溫度補償方式,提高了測量精度、穩定性和重復性,在全量程范圍內,精度為±1%、零點失調不大于±300μV。MAX4472是MAXIM公司的一款集成了四個運算放大器的低功耗放大芯片。本系統中內部集成運放A接恒流源,為壓力傳感器提供恒定的電流,運放B和運放C,運放D組成差分輸入、單端輸出放大電路,直接輸入ADC0監視血壓直流分量。

濾波和放大電路
如下圖所示,電路由濾波和放大兩部分組成。其中MAX267是MAXIM公司出產的一個集成濾波器,可以構成低通、帶通、高通、等多種方式,使用靈活,性能遠遠優于采用集成運放組成的濾波電路。

MAX4471是MAXIM公司的一款低功耗的放大器。MAX9028是MAXIM公司的一個低功耗的比較器。濾波電路采用MAX267構成帶通濾波器(允許0.8~38Hz的信號通過),濾掉信號中的直流成分和電源以及皮膚與袖帶摩擦的高頻噪聲和工頻干擾,然后經過MAX4471進行進一步放大,得到單片機匹配的電壓信號,進入ADC2,監視血壓的交流分量。同時該信號通過低功耗比較器MAX9028轉換成脈沖信號,觸發ADC1工作。
本文地址:http://www.6600560.cn/cgq/15464797862869.shtml
本文標簽:
猜你感興趣:
ACM6753 無霍爾傳感器三相正弦波直流無刷電機BLDC馬達
深圳市永阜康科技有限公司現在大力推廣一顆三相無傳感器正弦波驅動直流無刷馬達驅動IC-ACM6753,集成驅動算法+預驅+MOS,內置電流檢測,外圍元件僅需5個電容,應用極其簡單。
關鍵詞: 所屬欄目:其他文章
美國ALLEGRO電流傳感器型號大全
SCT系列電流傳感器為工業和汽車應用領域內AC,DC的電流檢測提供了體積更小,性價比更高的解決方案,并可提供多種輸出模式。
關鍵詞: 所屬欄目:傳感器技術
紅外粉塵傳感器和激光粉塵傳感器有什么區別
紅外光電傳感器在我們的生活中用處非常廣泛,空調、空氣凈化器、掃地機器人等領域均有使用。相信不少行業內的朋友并不陌生,那么對于粉塵紅外傳感器和激光粉塵傳感器有什么分別呢?下面就讓勒夫邁帶著你一起來了解下吧。
紅外粉塵傳感器和激光粉塵傳感器
關鍵詞: 所屬欄目:傳感器技術
什么是電源濾波器,其作用是什么呢?
什么是電源濾波器
emi濾波器,別名“交流電源EMI濾波器”,或者“EMI濾波器”,是1種無源雙向網絡,是1種對交流電源中特殊頻率的頻點或該頻點以外的
關鍵詞: 所屬欄目:電子器材
PM2.5傳感器的選擇和應用介紹
隨著人們對空氣質量的關注,PM2.5作為一個熱詞,頻繁見諸各傳媒,那么,什么是PM2.5,什么是PM10?
關鍵詞: 所屬欄目:傳感器技術
勒夫邁|PM2.5傳感器在汽車空氣凈化器中的應用
空氣污染物對人體的危害是多方面的,主要表現為呼吸系統疾病和生理功能障礙,以及眼睛和鼻子等粘膜組織受到刺激和生病。空氣污染對人體的影響一般可分為急性和慢性。如果一個人暴露在高濃度的污染空氣中一段時間,他會立即引起中毒或其他癥狀。除引起呼吸道和肺部疾病外,還可能對心血管系統造成損害,如肝臟等,甚至帶走人的生命,這是一種急性危害。
關鍵詞: 所屬欄目:傳感器技術
智能家居領域廣泛應用的傳感器有哪些?
因為對于品質生活的追求,所以便逐漸對所處的環境要求有著進一步的提升。以環境監測為主的智能家居產品廣受追捧,各類傳感器也在不同的領域發揮著重要的作用并廣泛應用。智能家居領域廣泛應用的傳感器有哪些呢?
關鍵詞: 所屬欄目:傳感器技術
高速響應光纖壓力傳感器FPI-HS在實驗室水壓監控中的作
實驗室(Laboratory/Lab)即進行試驗的場所。實驗室是科學的搖籃,是科學研究的基地,科技發展的源泉,對科技發展起著非常重要的作用。
關鍵詞: 所屬欄目:傳感器技術
紫外線傳感器UV-Arc用于電力行業配電柜中絕緣不良導致
配電柜(箱)分動力配電柜(箱)和照明配電柜(箱)、計量柜(箱),是配電系統的末級設備。配電柜是電動機控制中心的統稱。
關鍵詞: 所屬欄目:傳感器技術
勒夫邁|灰塵傳感器的用途及原理介紹
傳感器是我們生活中最常見的一種,也是對我們生活影響非常大的,尤其是現在的灰塵傳感器,在我們生活的環境中灰塵包括香煙煙霧粒子、被褥灰塵、打掃時的灰塵、虱子、寵物的
關鍵詞: 所屬欄目:傳感器技術
核磁共振設備工作過程人體溫度監控中應用的光纖溫度傳
核磁共振成像(簡稱NMRI),又稱自旋成像,也稱磁共振成像(簡稱MRI),臺灣又稱磁振造影,香港又稱磁力共振成像,是利用核磁共振(簡稱NMR)原理。
關鍵詞: 所屬欄目:傳感器技術
紫外線傳感器GUVC-S10GD用于消毒紫外汞燈是否正常發光
紫外汞燈用途廣泛,使用在PCB、LCD、電子、印刷、塑膠、木業、鞋業、玻璃、工藝品上光、涂裝等領域。UV設備中,一定會用得到UV燈管,UV汞燈設備大概包括:UV固化機,UV涂裝線,UV上光機等。
關鍵詞:紫外線傳感器 所屬欄目:傳感器技術
勒夫邁|新風系統是有哪些部分組成?PM2.5傳感器的應用
新風系統是一種能夠幫助室內進行通風換氣的裝置,將室外新鮮的空氣經過處理之后引入到室內,將室內受污染的空氣排放到室外,從而保障室內空氣的流通,確保室內時刻擁有新鮮
關鍵詞: 所屬欄目:傳感器技術
紫外線傳感器在紫外固化試驗箱中的應用
UV固化即紫外固化,UV是紫外線的英文縮寫,固化是指物質從低分子轉變為高分子的過程。UV固化一般是指需要用紫外線固化的涂料(油漆)、油墨、膠粘劑(膠水)或其它灌封密封劑的固化條件或要求,其區別于加溫固化、膠聯劑(固化劑)固化、自然固化等。
關鍵詞: 所屬欄目:傳感器技術
隧道變形在線監測過程中應用的光纖應變傳感器
隧道及地下工程圍巖的變形破壞主要有巖爆、坍塌和大變形。巖爆是一種硬巖在高地應力下的脆性破壞;坍塌和掉塊是圍巖受一定結構控制下的局部變形破壞現象;而圍巖大變形可以界定為除了巖爆運動脆性破壞和圍巖松動圈中受限于一定結構面控制的坍塌、滑動等破壞以外的圍巖變形破壞。
關鍵詞: 所屬欄目:傳感器技術
溫濕度傳感器HTW-211用于病房護理室環境溫濕度值檢測
病房一般指普通病房、重癥監護病房、氣管切開細菌監測病房,傳染病隔離病房,部分醫院設置有高干病房、特需病房和醫養結合病房,如套間、單人間等配套設施,在家里設置的稱家庭病房。
關鍵詞: 所屬欄目:傳感器技術
勒夫邁|智能家居領域廣泛應用的三類傳感器
在當今物聯網時代,現代人追求高品質的舒適生活,對健康更加關注,對生活的環境質量要求更加苛刻,智慧城市、智能家居應運而生,而其中以環境監測為主的智能家居設備廣受追捧。這時候,PM2.5傳感器、溫濕度傳感器便得到了廣泛應用。
關鍵詞: 所屬欄目:傳感器技術
空氣凈化器是怎么去除PM2.5的?PM2.5傳感器的應用
關于甲醛和霧霾的報道層出不窮,pm2.5持續居高不下,甲醛等室內空氣污染成為人人關注的大問題,但對于很多人來說,空氣污染還是沒辦法從根本上解決。不少廠商發現空凈市場上的商機,于是相繼推出各式各樣的空氣凈化器。但是面對這么多的品牌和產品,消費者又該如何選購才能避免被誤導,空氣凈化器是怎么去除PM2.5的?
關鍵詞: 所屬欄目:傳感器技術
盤點智能家居中常用的傳感器運用
智能家居是個系統的產品概念,而傳感器是把傳統家居設備如門窗、燈光等連接起來的“橋梁”。通過各式各樣的傳感器設備,實現了智能家居的場景化,也讓用戶真正享
關鍵詞: 所屬欄目:傳感器技術
高精度濕度測量傳感器模塊在空調領域的應用
空調即空氣調節器(Air Conditioner)。是指用人工手段,對建筑或構筑物內環境空氣的溫度、濕度、流速等參數進行調節和控制的設備。
關鍵詞: 所屬欄目:傳感器技術