智能照明是智能家居的關鍵之一。無線電和網絡控制可用于通過用戶的直接控制,使用專用遙控器或在智能手機應用程序的幫助下或根據一天中的時間自動改變照明水平。然而,用于照明的LED功率控制需要特別考慮。為傳統調光控制而開發的電路不能很好地滿足固態照明的要求。
安裝在家中的大多數調光器都是基于相切電路。這種類型電路的優點是設計非常簡單并且堅固耐用。該電路通過在交流周期的一部分中簡單地切斷燈泡的電源來工作,從而降低了提供給燈絲的總電壓。這反過來又降低了燈絲的光輸出。由于燈絲加熱和冷卻所需的時間相對較長,因此除非可能在調光器的最低設置下,否則這種切換對用戶來說并不明顯。
然而,對于LED,它具有更短的響應時間,主電源的低開關頻率意味著試圖使用類似的策略來控制光輸出將導致顯著的閃爍。因此,LED需要專門的電源電路,可以提供更穩定的電壓和電流輸出,以提供最大限度減少閃爍的功率,同時不會影響效率。
盡管可以通過改變LED來控制LED的亮度。提供給它們的電流導致在較低電流水平下功率效率下降。功率LED在最高額定電流下提供最佳效率。因此,使用脈沖寬度調制(PWM)技術仍然可以最好地獲得調光行為,在比傳統的基于電源的調光器電路所支持的頻率更高的頻率下打開和關閉LED。
在PWM-基于功率轉換器,反饋到控制器的參考信號用于確定向負載供電的晶體管是應該接通還是斷開。將參考與斜坡發生器產生的周期信號進行比較。當參考信號高于斜坡時,晶體管導通。當參考信號低于斜坡時,晶體管關閉。因此,所傳遞的積分電流遵循參考信號的分布?梢允褂酶鞣N技術來控制參考信號并因此操縱功率輸出。對于智能家居使用,電源轉換器可以集成額外的輸入,根據首選的調光水平調整參考信號。
LED的電源轉換器也可以設計用于處理不同的電源類型。例如,一個簡單的改裝燈泡,包括LED鎮流器,調光控制和智能家庭網絡的RF接口,通?梢允褂50 Hz/60 Hz電源。但是,設計用于低壓帶和總線的燈泡電源轉換器需要能夠處理直流電源輸入。
浪涌電流是LED照明設計中的一個重要考慮因素。 LED的電源向主電源提供容性負載,這導致當LED作為電容器周圍的電容器接通時短時間內吸收大電流的可能性。因為該電流可能遠高于穩態電流,所以當連接到一個電源電路的大量燈被激活時,它可能導致過載問題。限制啟動時的浪涌電流提供了一種與家用電路具有更好兼容性的設計。
功率因數校正(PFC)是電源兼容性方面的進一步考慮因素。不應允許高效LED調光所需的開關模式技術將額外的諧波驅動到電源上。
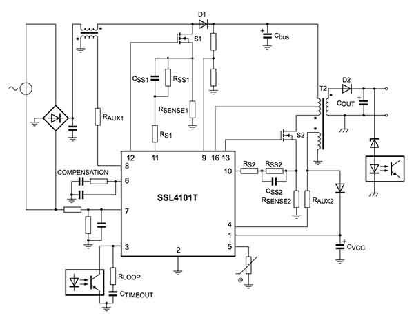
對PFC的高效供電和支持的需求導致了Fairchild FL7701等部件的推出。飛兆半導體FL7701設計用于交流和直流電源,使用從高壓電源傳輸到其低壓VCC引腳的紋波電壓作為檢測手段。 VCC軌道上的紋波使用sigma-delta調制方案來為PWM開關電路提供參考信號。當施加直流輸入時,VCC軌上沒有紋波會產生適合于沒有PFC的直流模式功率轉換的參考信號。

圖1:FL7701的框圖。
為了支持遠程控制,FL7701具有一個模擬輸入引腳,通過使用電阻分壓器可以支持0 V至10 V的調光控制。該信號被饋入數字控制器并用于確定數字 - 模擬轉換器的輸出,該轉換器向PWM控制電路提供參考信號。微控制器可用于產生到LED鎮流器的輸入信號,可能從RF接口接收其命令。

圖2:典型應用中的FL7701。
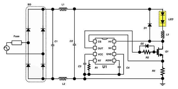
FL7701采用軟啟動功能來限制浪涌電流,對PWM電路使用的內部參考電壓信號施加延遲,使其從初始啟動開始緩慢上升。恩智浦的SSL4101T Greenchip III +提供了類似的軟啟動功能。在此器件上,軟啟動周期是通過選擇外部電阻和電容來確定的。
能夠使用傳統的三端雙向可控硅調光技術,因此支持需要處理混合光源的系統, SSL4101T旨在提供所有功率級別的高效率;使用各種PWM控制技術,以適應轉換到所需的輸出光級。該器件從高功率水平的準諧振工作轉變為準諧振工作,谷值跳躍到低功率輸出電平的降頻工作,減少了提供給LED的電流,避免產生鎮流器變壓器的可聽噪聲。

圖3:SSL4101的框圖。
在準諧振模式下,下一個轉換器行程在變壓器去磁后啟動應作為SSL4101T前端電路的一部分提供。這有助于最大限度地減少損耗,因為轉換器僅在外部MOSFET兩端的電壓達到最小值時才會導通。為了降低在較低負載下的操作頻率,準諧振操作變為具有谷值跳躍的不連續模式操作,其中開關頻率由于EMI原因而受限制,通常為大約125kHz。同樣,只有當MOSFET兩端的電壓達到最小值時,外部MOSFET才會導通。容-源-電-子-網-為你提供技術支持
本文地址:http://www.6600560.cn/led/15506259373187.shtml
本文標簽:
猜你感興趣:
高精準360°全景環視機器人 穩定的寬電壓有源晶振 YSO
YSO110TR采用主流封裝尺寸3.2*2.5mm,供應穩定,性價比高,使其在智能機器人的集成和布局上更加便捷。同時,它具備寬電壓范圍1.8V-3.3V
關鍵詞: 所屬欄目:電子基礎
高精度保障 智能機器人的“心臟”:寬電壓有源晶振YSO
寬電壓有源晶振 YSO110TR的優勢在于其高精度和穩定性。擁有8MHz的頻率輸出,全溫范圍內總頻差僅為±30PPM,YSO110TR保證了機器人系統的高精度控制和穩定運行。無論在-40~+85℃的嚴苛溫度環境下,晶振都能保持穩定的性能,為智能機器人的高精度運動和計算提供可靠的時鐘信號。
關鍵詞: 所屬欄目:電子基礎
智能終端通信利器:低抖動YSO690PR可編程天線完美融合
在通信科技的推動下,智能終端天線和低抖動晶振不斷創新,將引領通信產業進入新的時代。YSO690PR系列作為高性能智能終端通信利器,將為各類智能終端設備提供更加穩定和高效的通信支持,推動科技的蓬勃發展。無論是日常生活還是工業應用,這些優秀的技術將為人們帶來更加便捷、智能的通信體驗。
關鍵詞: 所屬欄目:電子基礎
BMS電池管理系統的智能守護者:YSO110TR高精度全溫范圍
電壓有源晶振 YSO110TR的優勢在于其高精度和穩定性。10MHz的頻率下,其全溫范圍內總頻差僅為±30PPM,這意味著即使在嚴酷的環境條件下,晶振的頻率波動也非常小,保證了BMS系統的高精度控制和穩定性。無論是在高溫還是低溫環境中,YSO110TR都能保持可靠的性能,為電池管理系統提供持久穩定的時鐘信號
關鍵詞: 所屬欄目:電子基礎
PS3120A 低噪聲開關電容器電壓雙倍器
關鍵詞: 所屬欄目:元器件知識
高性能無源晶振選擇YSX211SL晶振 精準穩定的時鐘引領電
在電子領域中,無源晶振是電路系統中重要的時鐘源。針對緊湊的電路布局和高要求的性能,平板FPC 2016無源晶振 YSX211SL以其獨特的特點成為了許多應用場景中的首選。
關鍵詞: 所屬欄目:電子基礎
液晶顯示驅動芯片VK1072B/C/D液晶驅動IC原廠/適用醫用
關鍵詞: 所屬欄目:開關電源電路圖
M12266 Type-C輸入3-6節鋰電池同口充放電管理移動電源
深圳市永阜康科技有限公司現在大力推廣一顆內置PD3.0/QC3.0等主流快充協議、3-6多節鋰電池移動電源雙向100W快充IC-M12266,配合極簡的外圍電路,即可實現常見便攜電子設備的Type-C快充需求。
關鍵詞: 所屬欄目:電源電路
單路水位檢測芯片VK36W1D單鍵觸控感應芯片
產品特點:VK36W1D具有1個觸摸檢測通道,可用來檢測水從無到有和水從有到無的動作。該芯片具有較高的集成度,僅需極少的外部組件便可實現觸摸按鍵的檢測。 提供了1路開漏輸
關鍵詞: 所屬欄目:元器件知識
M12229 雙節串聯鋰電池充放電管理的35W移動電源雙向快
現在市場上一般采用升降壓型充電管理芯片+快充協議芯片來實現,應用設計及外圍比較復雜。深圳市永阜康科技有限公司現在大力推廣一顆內置PD3.0/QC3.0快充協議升降壓型35W兩節鋰電充放電SOC芯片-M12229,輸入電壓3.3V-20V,最大充電電流5A,最大輸入/輸出功率35W,適用于雙節串聯大容量鋰電池的快速充電場合。
關鍵詞: 所屬欄目:電源電路
M12269 支持PD3.1等快充協議、140W升降壓3-8節多串鋰電
深圳市永阜康科技有限公司現在順勢推廣一顆支持PD3.1/QC3.0等主流快充協議、3-8節升降壓型140W鋰電充放電管理SOC-M12269。
關鍵詞: 所屬欄目:電源電路
三種解決方案為LED照明散熱設計添磚加瓦
關鍵詞: 所屬欄目:led
導熱絕緣片在電源電子領域散熱的重要性
導熱絕緣片是一種以特殊薄膜為基材的高性能彈性絕緣材料,主要安裝在發熱界面與其組件的空隙處。而電源電子由電源主芯片、變壓器、MOS管、PCB板,電阻電容等多個部件共同組成,在運作過程會散發出較大熱量,因此要選擇合適的導熱界面材料來降低熱量以保持產品的正常運作。
關鍵詞: 所屬欄目:電源電路
LED照明燈具散熱,TIR導熱石墨片輕松解決
對于LED來說,散熱系統是必不可少的,所以一個好的導熱介質是決定LED照明好壞的關鍵之一!兆科提供導熱石墨片可使用在LED芯片的背面,另一面貼近散熱片或LED外殼,通過導熱石墨片的高熱傳導將熱量迅速傳導至LED外殼,通過空氣的流動達到導熱散熱效果。
關鍵詞: 所屬欄目:led
LED調光器是怎么調光的?
關鍵詞: 所屬欄目:開關電源電路圖
你知道電源行業不同部件散熱對應哪些導熱界面材料嗎?
關鍵詞: 所屬欄目:電源電路
大功率LED燈散熱為什么離不開導熱硅脂?
為什么要涂覆一層導熱硅脂來提高LED燈具的散熱性能呢?因為LED燈具其主要的散熱方式是通過LED散熱器散熱出去的,而LED芯片所產生的熱量也是一樣,LED芯片首先會把熱量傳導到鋁基板上,再由鋁基板傳導至鋁散熱器上,不過鋁基板往往是通過螺釘的固定在鋁散熱器上的,用這種方法固定起到的結構往往在它們之間形成空氣隙,而空氣的熱阻是超大的,比其他熱阻都要大幾十倍,所以須涂上導熱硅脂來填充空隙以加大接觸面的面積,從而提高熱流通量,減小熱阻,改善LED燈具的整體散熱性能。
關鍵詞: 所屬欄目:led
VK1640電磁爐/冰箱LED 高壓驅動,數碼管LED顯示屏驅動
VK1640是一種數碼管或點陣LED驅動控制專用芯片,內部集成有數據鎖存器、LED 驅動等電路。SEG腳接LED陽極,GRID腳接LED陰極,可支持8SEGx16GRID的點陣LED顯示。適用于小型LED顯示屏驅動。采用SOP28的封裝形式。
關鍵詞: 所屬欄目:元器件知識
LED導熱雙面膠與其他導熱材料相比有哪些優勢呢?
導熱雙面膠是由有機硅材料添加導熱陶瓷粉體和一些玻璃纖維,通過特別工藝生產形成的一款擁有散熱功能的粘接材料。跟導熱石墨的質料昂貴、工藝復雜相比較,LED導熱雙面膠的性價比更高,所以在一般電子元件上就會被普遍使用。和一般的導熱絕緣片相比較,它具備更好的柔軟性還有粘接性,可以更好的貼緊兩界面。
關鍵詞: 所屬欄目:led
智能路燈控制器怎么接線?
關鍵詞: 所屬欄目:開關電源電路圖