本文地址:http://www.6600560.cn/nbq/13005-1113.shtml
本文標簽:
猜你感興趣:
自制最簡單12v轉220v逆變器制作及電路圖(車載大功率)
自制最簡單12v轉220v逆變器制作及電路圖(車載大功率);在有直流低電源而沒有220V交流電的情況下,逆變器是最佳的轉換裝置,很多場合都適用,比如喜歡釣魚的朋友,可以用逆變器為自己的用電設備使用。本文介紹一款應用CW3525A集成塊制作的最簡單12v轉220v逆變器及電路圖。電路很簡單,制作也方便,適用性很強。
關鍵詞:逆變器高頻逆變器 所屬欄目:逆變器電路圖
自制12伏變220伏的逆變器、電路圖(大功率200W)
自制12伏變220伏的逆變器、電路圖(大功率200W)利用晶閘管電路把直流電轉變成交流電,這種對應于整流的逆向過程,定義為逆變。
例如:應用晶閘管的電力機車,當下坡時使
關鍵詞:逆變器高頻逆變器 所屬欄目:逆變器電路圖
最簡單大功率500W晶體管逆變器電源電路圖
最簡單大功率500W晶體管逆變器電源電路圖
逆變器主要作用就是將低電壓轉換成高電壓,常見的就是要轉換成交流220V-50Hz,下面為大家介紹一個最簡單大功率的逆變器,電
關鍵詞: 所屬欄目:逆變器電路圖
簡單自制tl494逆變器電路圖50hz輸出,大功率
簡單自制tl494逆變器電路圖50hz輸出,大功率輸出,
逆變器(inverter)是把直流電能(電池、蓄電瓶)轉變成交流電(一般為220v50HZ正弦或方波)。應急電源,一般是把直流
關鍵詞:逆變器穩壓電路 所屬欄目:逆變器電路圖
簡單自制tl494逆變器電路圖50hz輸出,大功率
簡單自制tl494逆變器電路圖50hz輸出,大功率輸出,
逆變器(inverter)是把直流電能(電池、蓄電瓶)轉變成交流電(一般為220v50HZ正弦或方波)。應急電源,一般是把直流
關鍵詞:逆變器穩壓電路 所屬欄目:逆變器電路圖
車載12v轉220v逆變器電路圖(CW3525A應用電路)
變器電路圖(CW3525A應用電路)車載12v轉220v逆 本車載逆變器電路實際上是一個數字式準正弦波DC/AC逆變器,具有以下特點:(1)采用脈寬調制式開關電源電路,轉換效率高
關鍵詞: 所屬欄目:逆變器電路圖
555逆變驅動電路圖-最簡單12v轉220v逆變器制作
555逆變驅動電路圖-最簡單12v轉220v逆變器制作
關鍵詞: 所屬欄目:逆變器電路圖
ne555+13005逆變電路圖
ne555+13005逆變電路圖
逆變器電路圖有很多種,采用不同的控制方式可以得到不同的電路及輸出功率及頻率,本文介紹的是用13005逆變電路圖,13005主要作用是功率開關管,1
關鍵詞: 所屬欄目:電源電路
大功率12V轉220V逆變器電路圖(500W)
大功率12V轉220V逆變器電路圖(500W) 這是逆變器電路的 500W輸出。它將12VDC轉換為220V 50Hz。您可以輕松,廉價地構建它。 朋友喜歡這個。因為喜歡在戶外工作,或在必要
關鍵詞: 所屬欄目:逆變器電路圖
充電器13001開關電源電路圖
13001開關電源電路圖主要應用于小功率開關電源電路中,最常見的應用電器應用充電器電路中,13001電路簡單,制作方便、成本低及可靠性好。深受廣大工程師喜愛,下面介紹基于13001開關電路。
關鍵詞:開關穩壓電源充電器電路圖 所屬欄目:開關電源電路圖
經典13003開關電源電路圖
在開關電源電路中,13003作為開關管使用很多,常見用于小功率開關電源電路中,如手機充電器中,開關電源是將交流轉換成直流電源,控制開關管開通和關斷的時間比率,維持穩定
關鍵詞:充電器電路圖開關穩壓電源 所屬欄目:開關電源電路圖
1.5v轉5v逆變器電路圖
1.5v轉5v逆變器電路圖
在許多情況下,能夠將1.5V轉換為5V非常方便。然后,您可以使用單節AA或AAA電池為微控制器或LED供電。由于具有特殊的IC,如MAXIM MAX1674或MAX7176
關鍵詞:逆變器 所屬欄目:逆變器電路圖
純正弦波逆變器電路圖制作過程(50Hz)
純正弦波逆變器電路圖制作過程(50Hz)
逆變器可以按照它的輸出波形進行分類,分為方波逆變器、修正波逆變器和正弦波逆變器。 因此正弦波逆變器的定義就是輸出波形為
關鍵詞:逆變器 所屬欄目:逆變器電路圖
兩個三極管構成簡易逆變器電路圖(傻瓜逆變器電路圖)
在眾多逆變器電路圖中,想要找一個簡易的電路圖很多難找,今天本人把自己收藏的一個超簡易逆變器電路圖分享給大家,電子元器件非常少,制作也簡單,應用兩個三極管就可以搞定。詳細介紹請閱讀下文。
關鍵詞:逆變器 所屬欄目:逆變器電路圖
簡易自制家用逆變器電路圖
簡易自制家用逆變器電路圖一: 電路見圖1。當把開關K1打向“逆變”位置時,BG1導通,由時基電路NE555及外圍元件組成的無穩態多諧振蕩器開始振蕩,
關鍵詞:逆變器 所屬欄目:逆變器電路圖
高頻逆變器與低頻逆變器有什么區別
高頻逆變器與低頻逆變器有什么區別
1、按照電氣和電子工程師學會(IEEE)制定的頻譜劃分表,低頻頻率為30~300kHz,中頻頻率為300~3000kHz,高頻頻率為3~30MHz,頻率范
關鍵詞:逆變器高頻逆變器 所屬欄目:逆變器電路圖
高頻逆變器的優缺點及分類
高頻逆變器的優缺點 高頻逆變器采用的是體積小,重量輕的高頻磁芯材料,從而大大提高了電路的功率密度,使得逆變電源的空載損耗很小,逆變效率得到了提高。通常高頻逆變
關鍵詞:逆變器高頻逆變器 所屬欄目:逆變器電路圖
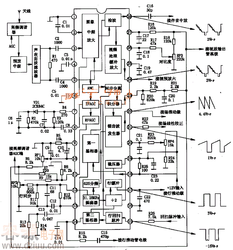
MC13007--單片電視小信號處理桌成電路圖
MCI3007是美國摩托羅拉(MOTOROLA)公司生產的、采用先進的氮化工藝和數字分頻技術的大規模單片集成電路。其內部包含了200個線性電路和200個邏輯門電路,可用來完成除伴音信號以外的所有小信號處理電路。它包括:中
關鍵詞: 所屬欄目:音頻功放電路
正弦波逆變器電感發熱原因
正弦波逆變器電感發熱原因 正弦波逆變器電感發熱嚴重說明可能存在下面兩個問題:電感上的損耗過大和散熱條件不好;所以解決發熱嚴重的問題最好的辦法是對癥下藥,從損耗的
關鍵詞:逆變器線圈高頻逆變器 所屬欄目:電子基礎
直流24v轉12v電路圖加自制方法
直流24v轉12v電路圖加自制方法
如圖所示,直流24v轉12v電路圖只不過是一個集成的可調電壓調節器,它可以并聯作用于一組功率晶體管。可以說這些晶體管執行重負荷,而負責
關鍵詞:逆變器穩壓電源DC-DC電路 所屬欄目:逆變器電路圖