在許多情況下,能夠將1.5V轉換為5V非常方便。然后,您可以使用單節AA或AAA電池為微控制器或LED供電。由于具有特殊的IC,如MAXIM MAX1674或MAX7176" />
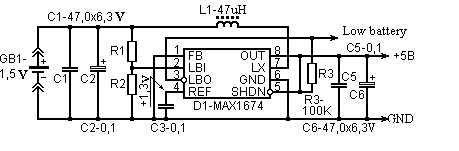
在許多情況下,能夠將1.5V轉換為5V非常方便。然后,您可以使用單節AA或AAA電池為微控制器或LED供電。由于具有特殊的IC,如MAXIM MAX1674或MAX7176,所以這樣做很簡單。這是一款升壓型DC-DC轉換器,可以將0.7V的電壓轉換為2V至5.5V的電壓。MAX1676已經預置了3.3V和5V引腳,這使得在3.3和5V電路中的集成更加容易。IC的耗散高達444mW。波紋管是將1.5V轉換為5V的電路。

容-源-電-子-網-為你提供技術支持
本文地址:http://www.6600560.cn/nbq/15742975823452.shtml
本文標簽:
猜你感興趣:
自制最簡單12v轉220v逆變器制作及電路圖(車載大功率)
自制最簡單12v轉220v逆變器制作及電路圖(車載大功率);在有直流低電源而沒有220V交流電的情況下,逆變器是最佳的轉換裝置,很多場合都適用,比如喜歡釣魚的朋友,可以用逆變器為自己的用電設備使用。本文介紹一款應用CW3525A集成塊制作的最簡單12v轉220v逆變器及電路圖。電路很簡單,制作也方便,適用性很強。
關鍵詞:逆變器高頻逆變器 所屬欄目:逆變器電路圖
自制12伏變220伏的逆變器、電路圖(大功率200W)
自制12伏變220伏的逆變器、電路圖(大功率200W)利用晶閘管電路把直流電轉變成交流電,這種對應于整流的逆向過程,定義為逆變。
例如:應用晶閘管的電力機車,當下坡時使
關鍵詞:逆變器高頻逆變器 所屬欄目:逆變器電路圖
最簡單大功率500W晶體管逆變器電源電路圖
最簡單大功率500W晶體管逆變器電源電路圖
逆變器主要作用就是將低電壓轉換成高電壓,常見的就是要轉換成交流220V-50Hz,下面為大家介紹一個最簡單大功率的逆變器,電
關鍵詞: 所屬欄目:逆變器電路圖
簡單自制tl494逆變器電路圖50hz輸出,大功率
簡單自制tl494逆變器電路圖50hz輸出,大功率輸出,
逆變器(inverter)是把直流電能(電池、蓄電瓶)轉變成交流電(一般為220v50HZ正弦或方波)。應急電源,一般是把直流
關鍵詞:逆變器穩壓電路 所屬欄目:逆變器電路圖
簡單自制tl494逆變器電路圖50hz輸出,大功率
簡單自制tl494逆變器電路圖50hz輸出,大功率輸出,
逆變器(inverter)是把直流電能(電池、蓄電瓶)轉變成交流電(一般為220v50HZ正弦或方波)。應急電源,一般是把直流
關鍵詞:逆變器穩壓電路 所屬欄目:逆變器電路圖
車載12v轉220v逆變器電路圖(CW3525A應用電路)
變器電路圖(CW3525A應用電路)車載12v轉220v逆 本車載逆變器電路實際上是一個數字式準正弦波DC/AC逆變器,具有以下特點:(1)采用脈寬調制式開關電源電路,轉換效率高
關鍵詞: 所屬欄目:逆變器電路圖
555逆變驅動電路圖-最簡單12v轉220v逆變器制作
555逆變驅動電路圖-最簡單12v轉220v逆變器制作
關鍵詞: 所屬欄目:逆變器電路圖
ne555+13005逆變電路圖
ne555+13005逆變電路圖
逆變器電路圖有很多種,采用不同的控制方式可以得到不同的電路及輸出功率及頻率,本文介紹的是用13005逆變電路圖,13005主要作用是功率開關管,1
關鍵詞: 所屬欄目:電源電路
大功率12V轉220V逆變器電路圖(500W)
大功率12V轉220V逆變器電路圖(500W) 這是逆變器電路的 500W輸出。它將12VDC轉換為220V 50Hz。您可以輕松,廉價地構建它。 朋友喜歡這個。因為喜歡在戶外工作,或在必要
關鍵詞: 所屬欄目:逆變器電路圖
13005逆變電路圖
13005逆變電路圖:逆變器電路圖有很多種,采用不同的控制方式可以得到不同的電路及輸出功率及頻率,本文介紹的是用13005逆變電路圖,13005主要作用是功率開關管,13005決定輸出的功率(一般制作逆變器都希望輸出功率大更好)。電路前級主要是用NE555及13005控制,后級很簡單,就是整流加濾波得到直流電源。13005逆變電路圖如下:
關鍵詞:逆變器高頻逆變器 所屬欄目:逆變器電路圖
純正弦波逆變器電路圖制作過程(50Hz)
純正弦波逆變器電路圖制作過程(50Hz)
逆變器可以按照它的輸出波形進行分類,分為方波逆變器、修正波逆變器和正弦波逆變器。 因此正弦波逆變器的定義就是輸出波形為
關鍵詞:逆變器 所屬欄目:逆變器電路圖
兩個三極管構成簡易逆變器電路圖(傻瓜逆變器電路圖)
在眾多逆變器電路圖中,想要找一個簡易的電路圖很多難找,今天本人把自己收藏的一個超簡易逆變器電路圖分享給大家,電子元器件非常少,制作也簡單,應用兩個三極管就可以搞定。詳細介紹請閱讀下文。
關鍵詞:逆變器 所屬欄目:逆變器電路圖
簡易自制家用逆變器電路圖
簡易自制家用逆變器電路圖一: 電路見圖1。當把開關K1打向“逆變”位置時,BG1導通,由時基電路NE555及外圍元件組成的無穩態多諧振蕩器開始振蕩,
關鍵詞:逆變器 所屬欄目:逆變器電路圖
高頻逆變器與低頻逆變器有什么區別
高頻逆變器與低頻逆變器有什么區別
1、按照電氣和電子工程師學會(IEEE)制定的頻譜劃分表,低頻頻率為30~300kHz,中頻頻率為300~3000kHz,高頻頻率為3~30MHz,頻率范
關鍵詞:逆變器高頻逆變器 所屬欄目:逆變器電路圖
高頻逆變器的優缺點及分類
高頻逆變器的優缺點 高頻逆變器采用的是體積小,重量輕的高頻磁芯材料,從而大大提高了電路的功率密度,使得逆變電源的空載損耗很小,逆變效率得到了提高。通常高頻逆變
關鍵詞:逆變器高頻逆變器 所屬欄目:逆變器電路圖
正弦波逆變器電感發熱原因
正弦波逆變器電感發熱原因 正弦波逆變器電感發熱嚴重說明可能存在下面兩個問題:電感上的損耗過大和散熱條件不好;所以解決發熱嚴重的問題最好的辦法是對癥下藥,從損耗的
關鍵詞:逆變器線圈高頻逆變器 所屬欄目:電子基礎
直流24v轉12v電路圖加自制方法
直流24v轉12v電路圖加自制方法
如圖所示,直流24v轉12v電路圖只不過是一個集成的可調電壓調節器,它可以并聯作用于一組功率晶體管。可以說這些晶體管執行重負荷,而負責
關鍵詞:逆變器穩壓電源DC-DC電路 所屬欄目:逆變器電路圖
12v轉220v轉換器如何制作經驗分享(圖文)
12v轉220v轉換器如何制作經驗分享
如逆變器電路圖所示,它用作IC1中包含的振蕩器級非穩態多諧振蕩器,CMOS 4047(此邪教系列40xx系列)通過改變R1微調器的電阻值(220 k總
關鍵詞:逆變器 所屬欄目:逆變器電路圖
自制低成本高效率的家用逆變器
自制低成本高效率的家用逆變器
關聯:逆變器制作,逆變器電路自制低成本高效率的家用逆變器許多家用逆變電路簡單易制、效率不高.有的優質高效卻不易自制。本文介
關鍵詞:逆變器 所屬欄目:逆變器電路圖
介紹短路保護電路對逆變器的作用
在逆變器的設計制造過程當中,過流短路保護是非常重要的一個環節,其很大程度上決定了逆變器在實際使用中的安全性問題,如果過流短路保護電路失效,那么逆變器將很有可能燒毀,因此短路保
關鍵詞:逆變器短路保護電路 所屬欄目:電路圖